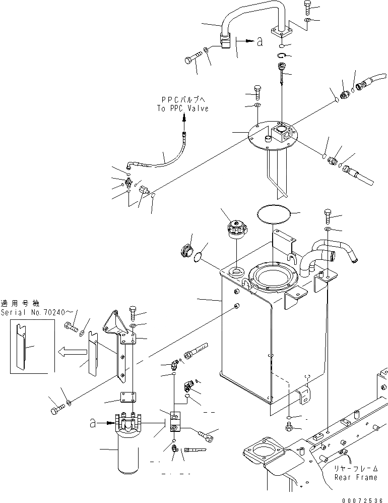
Запчасти Komatsu WA200PZ-6 ГИДР. БАК.(№7-) ГИДРАВЛИКА

Схема запчастей Komatsu WA200PZ-6 - ГИДР. БАК.(№7-) ГИДРАВЛИКА
1
2
3
4
5
6
7
8
9
10
11
12
13
14
15
16
17
18
18
19
20
21
22
23
24
25
26
27
28
29
30
31
32
32
33
33
34
35
36
37
38
39
40
41
42
43
44
45
46
46
47
47
48
49
50
51
52
53
FIT
1:1
100%

Артикул

Название

Примечание

Количество

1

417-60-45220

HYDRAULIC TANK

SN: 70001-UP

1шт.

2

421-60-11622

GAUGE,SIGHT

SN: 70001-UP

1шт.

3

07002-15234

O-RING

SN: 70001-UP

1шт.

4

07040-12412

PLUG

SN: 70001-UP

3шт.

5

07002-12434

O-RING

SN: 70001-UP

3шт.

6

418-60-35120

BREATHER

SN: 70001-UP

1шт.

6

417-60-15380

ELEMENT

SN: 70001-UP

1шт.

7

417-60-35160

COVER ASS'Y

SN: 70001-UP

1шт.

8

01010-81025

BOLT

SN: 70001-UP

6шт.

9

01643-31032

WASHER

SN: 70001-UP

6шт.

10

07000-15200

O-RING

SN: 70001-UP

1шт.

11

419-60-35142

FILTER ASS'Y

SN: 70001-UP

1шт.

11

419-60-35152

CARTRIDGE

SN: 70001-UP

1шт.

12

418-60-35190

PLATE

SN: 70001-UP

1шт.

13

01010-81035

BOLT

SN: 70001-UP

4шт.

14

203-54-56970

WASHER

SN: 70001-UP

4шт.

15

418-60-45150

BRACKET

SN: 70001-UP

1шт.

16

01010-81025

BOLT

SN: 70001-UP

2шт.

17

203-54-56970

WASHER

SN: 70001-UP

2шт.

18

418-60-45212

COVER

SN: 70240-UP

1шт.

18

0

COVER

SN: 70001-70239

1шт.

19

01010-81020

BOLT

SN: 70001-UP

2шт.

20

01643-31032

WASHER

SN: 70001-UP

2шт.

21

02782-10422

ELBOW

SN: 70001-UP

1шт.

22

07002-12034

O-RING

SN: 70001-UP

1шт.

23

02896-11012

O-RING

SN: 70001-UP

1шт.

24

02782-10313

ELBOW

SN: 70001-UP

1шт.

25

07002-11823

O-RING

SN: 70001-UP

1шт.

26

02896-11009

O-RING

SN: 70001-UP

1шт.

27

02782-10210

ELBOW

SN: 70001-UP

1шт.

28

07002-11423

O-RING

SN: 70001-UP

1шт.

29

02896-11008

O-RING

SN: 70001-UP

1шт.

30

418-62-41360

FLANGE

SN: 70001-UP

1шт.

31

01252-71055

BOLT

SN: 70001-UP

4шт.

32

02781-00522

UNION

SN: 70001-UP

2шт.

33

07002-12434

O-RING

SN: 70001-UP

2шт.

34

418-62-43540

TUBE

SN: 70001-UP

1шт.

35

07000-13038

O-RING

SN: 70001-UP

1шт.

36

07000-13035

O-RING

SN: 70001-UP

1шт.

37

01010-81065

BOLT

SN: 70001-UP

4шт.

38

01643-51032

WASHER

SN: 70001-UP

4шт.

39

01010-81035

BOLT

SN: 70001-UP

4шт.

40

01643-31032

WASHER

SN: 70001-UP

4шт.

41

07000-13050

O-RING

SN: 70001-UP

1шт.

42

418-62-31620

VALVE ASS'Y

SN: 70001-UP

1шт.

43

04065-04218

RING,SNAP

SN: 70001-UP

1шт.

44

07002-12034

O-RING

SN: 70001-UP

1шт.

45

02896-11008

O-RING

SN: 70001-UP

1шт.

46

02896-11009

O-RING

SN: 70001-UP

2шт.

47

02896-11015

O-RING

SN: 70001-UP

2шт.

48

417-62-44271

TEE

SN: 70001-UP

1шт.

49

419-43-37580

UNION

SN: 70001-UP

1шт.

50

02896-11009

O-RING

SN: 70001-UP

1шт.

51

418-62-44190

HOSE, 420MM

SN: 70001-UP

1шт.

52

01010-81240

BOLT

SN: 70001-UP

3шт.

53

01643-31232

WASHER

SN: 70001-UP

3шт.

Выбрано товаров: 56