Запчасти Komatsu WA200PZ-6 ПОЗИЦИОНЕР КОВША(ДЛЯ СОЕДИНИТ. УСТР-ВО)(№7-) КАБИНА ОПЕРАТОРА И СИСТЕМА УПРАВЛЕНИЯ

Схема запчастей Komatsu WA200PZ-6 - ПОЗИЦИОНЕР КОВША(ДЛЯ СОЕДИНИТ. УСТР-ВО)(№7-) КАБИНА ОПЕРАТОРА И СИСТЕМА УПРАВЛЕНИЯ
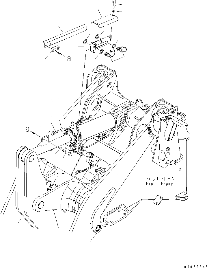
1
2
2
2
2
3
4
5
6
7
8
9
10
11
12
FIT
1:1
100%

Артикул

Название

Примечание

Количество

1

56B-06-15610

SWITCH

SN: 70001-UP

2шт.

2

418-U77-3650

WASHER

SN: 70001-UP

4шт.

3

417-U77-4410

BRACKET

SN: 70001-UP

1шт.

4

01010-81230

BOLT

SN: 70001-UP

2шт.

5

01643-31232

WASHER

SN: 70001-UP

2шт.

6

418-U77-4480

PLATE

SN: 70001-UP

1шт.

7

01010-81020

BOLT

SN: 70001-UP

2шт.

8

01643-31032

WASHER

SN: 70001-UP

2шт.

9

417-U77-4423

PLATE

SN: 70001-UP

1шт.

10

01010-81270

BOLT

SN: 70001-UP

2шт.

11

01643-31232

WASHER

SN: 70001-UP

2шт.

12

417-U77-4442

BLOCK

SN: 70001-UP

1шт.

Выбрано товаров: 12