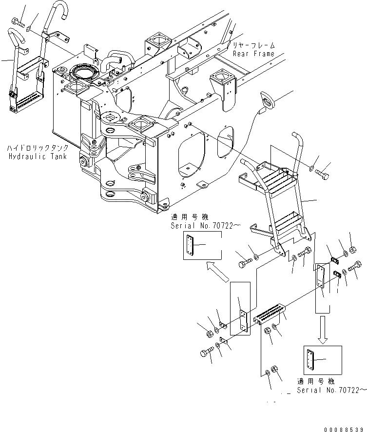
Запчасти Komatsu WA200PZ-6 ЛЕСТНИЦА(№7-) ЧАСТИ КОРПУСА

Схема запчастей Komatsu WA200PZ-6 - ЛЕСТНИЦА(№7-) ЧАСТИ КОРПУСА
1
2
3
4
5
6
7
8
8
8
8
9
9
9
9
10
10
10
10
11
11
11
11
12
12
12
12
13
13
13
13
FIT
1:1
100%

Артикул

Название

Примечание

Количество

1

418-54-45583

LADDER,L.H.

SN: 70722-UP

1шт.

1

418-54-45581

LADDER,L.H.

SN: 70001-70721

1шт.

2

01010-81225

BOLT

SN: 70001-UP

5шт.

3

01643-31232

WASHER

SN: 70001-UP

5шт.

4

418-54-45591

LADDER,R.H.

SN: 70001-UP

1шт.

5

01010-81225

BOLT

SN: 70001-UP

4шт.

6

01643-31232

WASHER

SN: 70001-UP

4шт.

7

421-54-34611

STEP

SN: 70001-UP

2шт.

8

424-54-44881

RUBBER

SN: 70722-UP

2шт.

8

418-54-45640

RUBBER

SN: 70001-70721

2шт.

9

428-T86-1650

PLATE

SN: 70001-UP

8шт.

10

01010-D1040

BOLT

SN: 70001-UP

16шт.

11

01643-71032

WASHER

SN: 70001-UP

16шт.

12

01596-01009

NUT

SN: 70001-UP

16шт.

13

01643-71032

WASHER

SN: 70001-UP

16шт.

Выбрано товаров: 15