Запчасти Komatsu WA200PZ-6 ПЕРЕДАЧА (/) (КОРПУС)(№7-) СИЛОВАЯ ПЕРЕДАЧА

Схема запчастей Komatsu WA200PZ-6 - ПЕРЕДАЧА (/) (КОРПУС)(№7-) СИЛОВАЯ ПЕРЕДАЧА
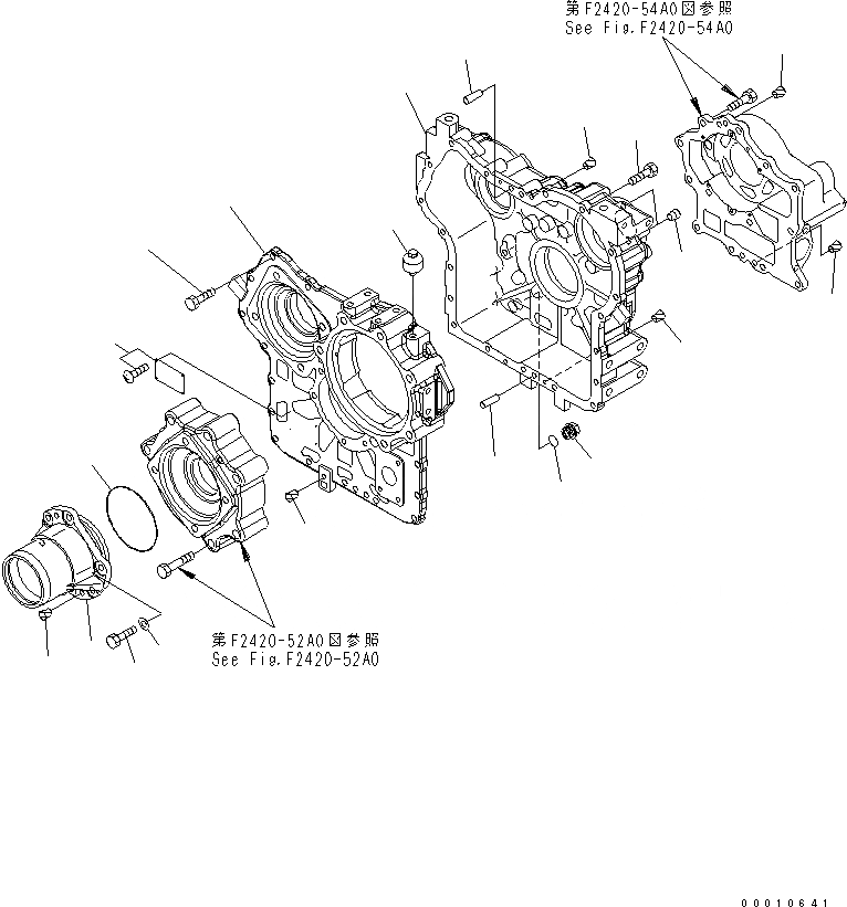
1
2
3
3
4
4
5
6
7
8
9
10
11
12
13
14
14
14
14
14
15
FIT
1:1
100%

Артикул

Название

Примечание

Количество

|$1

417-17-31004

TRANSFER ASS'Y

SN: 70001-UP

1шт.

|$$2

THIS ASSEMBLY CONSISTS OF ALL PARTS SHOWN IN FIGS.F2420-51A0 TO F2420-54A0.

-1шт.

|$3

417-17-31104

CASE ASS'Y

SN: 70001-UP

1шт.

1

0

CASE,FRONT

SN: 70001-UP

1шт.

2

0

CASE,REAR

SN: 70001-UP

1шт.

3

01010-81235

BOLT

SN: 70001-UP

20шт.

4

04020-01228

PIN

SN: 70001-UP

2шт.

5

07043-A0211

PLUG

SN: 70001-UP

2шт.

6

07044-12412

PLUG

SN: 70001-UP

1шт.

7

07002-12434

O-RING

SN: 70001-UP

1шт.

8

07030-00252

BREATHER

SN: 70001-UP

1шт.

9

417-17-31131

CAGE

SN: 70001-UP

1шт.

10

01010-81235

BOLT

SN: 70001-UP

6шт.

11

01643-31232

WASHER

SN: 70001-UP

6шт.

12

07000-75130

O-RING

SN: 70001-UP

1шт.

13

09608-05080

PLATE, NAME

SN: 70001-UP

1шт.

13

04418-13060

SCREW

SN: 70001-UP

4шт.

14

07049-01215

PLUG

SN: 70001-UP

9шт.

15

07049-01620

PLUG

SN: 70001-UP

1шт.

Выбрано товаров: 0