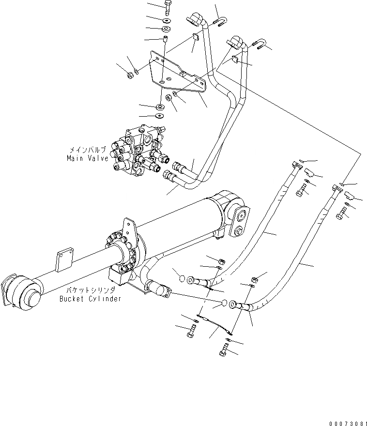
Запчасти Komatsu WA200PZ-6 ГИДРОЛИНИЯ (ГИДРОЦИЛИНДР КОВША ТРУБЫ)(№7-) ГИДРАВЛИКА

Схема запчастей Komatsu WA200PZ-6 - ГИДРОЛИНИЯ (ГИДРОЦИЛИНДР КОВША ТРУБЫ)(№7-) ГИДРАВЛИКА
1
1
2
2
3
3
4
4
5
5
6
6
7
8
8
9
9
10
10
11
11
12
12
13
14
15
16
17
18
18
19
20
21
21
22
22
23
23
24
24
FIT
1:1
100%

Артикул

Название

Примечание

Количество

1

417-T90-4570

HOSE, 1000MM

SN: 70001-UP

2шт.

2

07000-13025

O-RING

SN: 70001-UP

2шт.

3

07371-30640

FLANGE,SPLIT

SN: 70001-UP

4шт.

4

07372-21035

BOLT

SN: 70001-UP

8шт.

5

01643-51032

WASHER

SN: 70001-UP

8шт.

6

07000-13032

O-RING

SN: 70001-UP

2шт.

7

419-62-13460

WIRE

SN: 70001-UP

1шт.

8

01010-81230

BOLT

SN: 70001-UP

2шт.

9

01643-31232

WASHER

SN: 70001-UP

2шт.

10

01580-11210

NUT

SN: 70001-UP

2шт.

11

01643-31232

WASHER

SN: 70001-UP

2шт.

12

04434-52712

CLIP

SN: 70001-UP

2шт.

13

417-T90-4353

TUBE,L.H.

SN: 70001-UP

1шт.

14

417-T90-4363

TUBE,R.H.

SN: 70001-UP

1шт.

15

417-T90-4412

BRACKET

SN: 70001-UP

1шт.

16

419-43-17930

CUSHION

SN: 70001-UP

2шт.

17

415-64-13130

CUSHION

SN: 70001-UP

2шт.

18

415-64-13120

WASHER

SN: 70001-UP

4шт.

19

417-54-13470

SPACER

SN: 70001-UP

2шт.

20

01010-81045

BOLT

SN: 70001-UP

2шт.

21

07283-32746

CLIP

SN: 70001-UP

2шт.

22

07283-52737

SEAT

SN: 70001-UP

2шт.

23

01597-01009

NUT

SN: 70001-UP

4шт.

24

01643-31032

WASHER

SN: 70001-UP

4шт.

Выбрано товаров: 24