Запчасти Komatsu WA200PZ-6 БЛОКИР. ШАНГА И COVER(№7-) ОСНОВНАЯ РАМА И ЕЕ ЧАСТИ

Схема запчастей Komatsu WA200PZ-6 - БЛОКИР. ШАНГА И COVER(№7-) ОСНОВНАЯ РАМА И ЕЕ ЧАСТИ
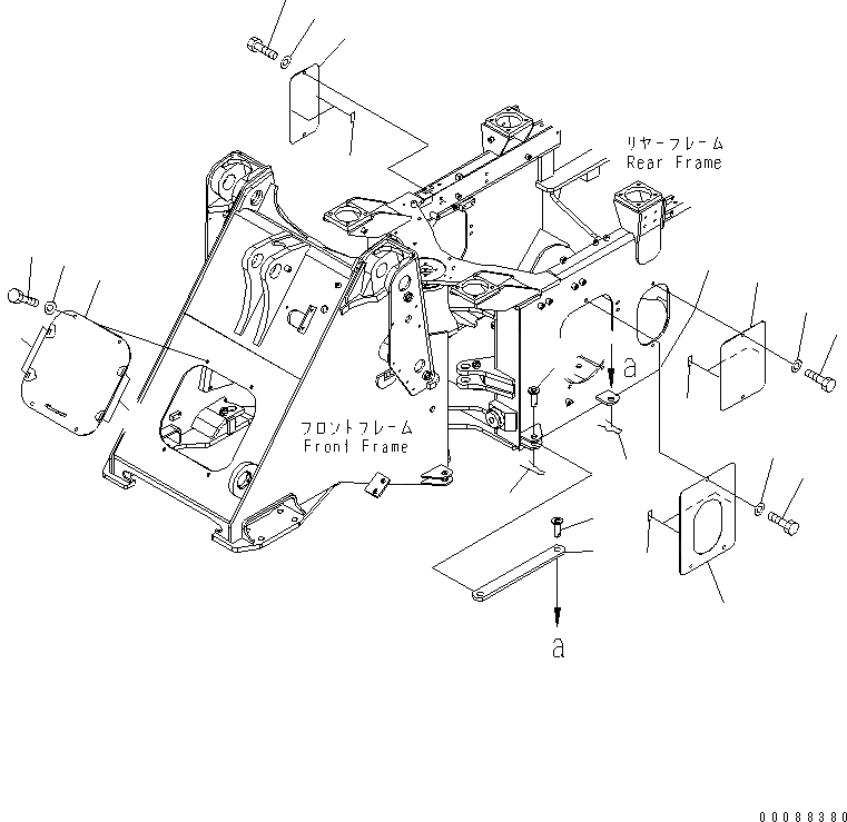
1
2
2
3
4
5
6
6
7
8
9
10
11
11
11
12
12
12
13
13
13
14
FIT
1:1
100%

Артикул

Название

Примечание

Количество

1

417-46-24110

BAR

SN: 70001-UP

1шт.

2

416-46-12230

PIN

SN: 70001-UP

2шт.

3

04050-18055

PIN,COTTER

SN: 70001-UP

1шт.

4

415-46-11360

PIN,SNAP

SN: 70001-UP

1шт.

5

417-46-31331

COVER

SN: 70592-UP

1шт.

5

0

COVER

SN: 70001-70591

1шт.

6

421-09-21420

SHEET (BONDED)

SN: 70679-UP

4шт.

7

01010-81230

BOLT

SN: 70001-UP

4шт.

8

01643-31232

WASHER

SN: 70001-UP

4шт.

9

417-46-34411

COVER,L.H.

SN: 70592-UP

1шт.

9

0

COVER,L.H.

SN: 70001-70591

1шт.

10

418-46-34421

COVER,L.H.

SN: 70592-UP

1шт.

10

0

COVER,L.H.

SN: 70001-70591

1шт.

11

421-09-21420

SHEET (BONDED)

SN: 70001-UP

6шт.

12

01010-81225

BOLT

SN: 70001-UP

7шт.

13

01643-31232

WASHER

SN: 70001-UP

7шт.

14

417-46-34432

COVER,R.H.

SN: 70592-UP

1шт.

14

0

COVER,R.H.

SN: 70001-70591

1шт.

Выбрано товаров: 18