Запчасти Komatsu WA200PZ-6 ПОЛ (ПОЛ Э/ПРОВОДКА) (/) (ДЛЯ НАВЕСА)(№7-) КАБИНА ОПЕРАТОРА И СИСТЕМА УПРАВЛЕНИЯ

Схема запчастей Komatsu WA200PZ-6 - ПОЛ (ПОЛ Э/ПРОВОДКА) (/) (ДЛЯ НАВЕСА)(№7-) КАБИНА ОПЕРАТОРА И СИСТЕМА УПРАВЛЕНИЯ
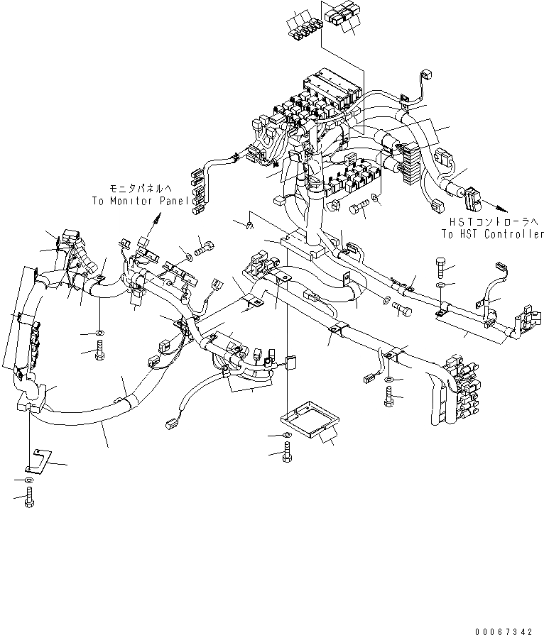
1
2
3
4
5
6
7
8
9
9
9
9
9
10
10
11
11
11
12
13
14
15
16
17
17
18
18
19
20
20
20
21
21
21
22
23
24
24
25
25
26
27
28
29
30
31
32
33
34
FIT
1:1
100%

Артикул

Название

Примечание

Количество

1

418-06-42181

WIRING HARNESS

SN: 70552-UP

1шт.

1

418-06-42180

WIRING HARNESS

SN: 70001-70551

1шт.

2

20Y-62-22790

BAND, RED

SN: 70001-UP

1шт.

3

20Y-62-22820

BAND, BLUE

SN: 70001-UP

1шт.

4

20Y-62-22830

BAND, WHITE

SN: 70001-UP

1шт.

5

20Y-62-22850

BAND, GREEN

SN: 70001-UP

1шт.

6

21J-06-13661

DIODE

SN: 70001-UP

4шт.

7

8233-06-3350

DIODE

SN: 70001-UP

3шт.

8

419-09-11150

CLIP

SN: 70001-UP

1шт.

9

23S-61-24870

CLIP

SN: 70001-UP

7шт.

10

142-06-13540

CLIP

SN: 70001-UP

2шт.

11

04434-53412

CLIP

SN: 70001-UP

6шт.

12

23S-62-25850

CLIP

SN: 70001-UP

1шт.

13

04434-52712

CLIP

SN: 70001-UP

1шт.

14

195-06-41840

CLIP

SN: 70001-UP

2шт.

15

04434-51912

CLIP

SN: 70001-UP

1шт.

16

04434-52312

CLIP

SN: 70001-UP

2шт.

17

04434-51712

CLIP

SN: 70001-UP

3шт.

18

04434-51412

CLIP

SN: 70001-UP

2шт.

19

04434-51012

CLIP

SN: 70001-UP

1шт.

20

01010-81016

BOLT

SN: 70001-UP

20шт.

21

01643-31032

WASHER

SN: 70001-UP

20шт.

22

01010-81020

BOLT

SN: 70001-UP

2шт.

23

01643-31032

WASHER

SN: 70001-UP

2шт.

24

01010-81025

BOLT

SN: 70001-UP

2шт.

25

01643-31032

WASHER

SN: 70001-UP

2шт.

26

417-06-22410

PLATE

SN: 70001-UP

1шт.

27

418-06-42450

SHEET

SN: 70001-UP

1шт.

28

01010-80616

BOLT

SN: 70001-UP

2шт.

29

01643-30623

WASHER

SN: 70001-UP

2шт.

30

418-06-31610

PLATE

SN: 70001-UP

2шт.

31

418-06-41640

SHEET

SN: 70001-UP

1шт.

32

07049-01012

PLUG

SN: 70001-UP

1шт.

33

01010-80616

BOLT

SN: 70001-UP

4шт.

34

01643-30623

WASHER

SN: 70001-UP

4шт.

Выбрано товаров: 0