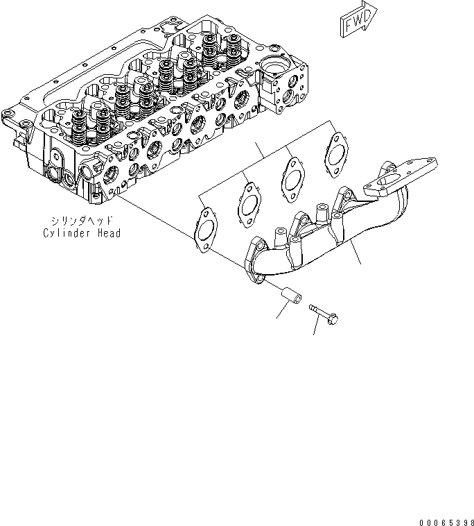
Запчасти Komatsu WA200PZ-6 ВЫПУСКНОЙ КОЛЛЕКТОР (ESN 8-) AA ДВИГАТЕЛЬ

Схема запчастей Komatsu WA200PZ-6 - ВЫПУСКНОЙ КОЛЛЕКТОР (ESN 8-) AA ДВИГАТЕЛЬ
1
2
3
4
1
2
3
4
FIT
1:1
100%

Артикул

Название

Примечание

Количество

1

6751-11-5120

MANIFOLD,EXHAUST

SN: 26508146-UP

1шт.

2

6732-11-5860

BOLT

SN: 26508146-UP

8шт.

3

6754-11-5150

SPACER

SN: 26508146-UP

8шт.

4

6754-11-5140

GASKET

SN: 26508146-UP

4шт.

1

6751-11-5120

MANIFOLD,EXHAUST

2

6732-11-5860

BOLT

3

6754-11-5150

SPACER

4

6754-11-5140

GASKET

Выбрано товаров: 8