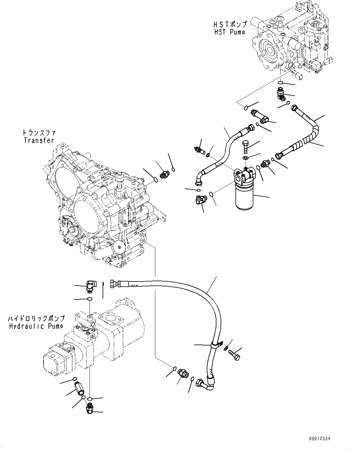
Запчасти Komatsu WA200PZ-6 HST МАСЛ. ЛИНИЯ (ФИЛЬТР. И ПЕРЕДАЧА ЛИНИЯ) F ТРАНСМИССИЯ

Схема запчастей Komatsu WA200PZ-6 - HST МАСЛ. ЛИНИЯ (ФИЛЬТР. И ПЕРЕДАЧА ЛИНИЯ) F ТРАНСМИССИЯ
30
19
23
16
17
26
28
24
25
21
20
22
28
29
31
32
27
18
9
6
8
8
7
5
4
3
2
1
9
14
9
9
10
12
13
14
15
11
FIT
1:1
100%

Артикул

Название

Примечание

Количество

1

418-18-34110

FILTER ASSEMBLY

SN: 70136-70342

1шт.

|$2

418-18-34160

CARTRIDGE

SN: 70136-70342

1шт.

2

415-18-11150

SENSOR

SN: 70136-70342

1шт.

3

415-18-11160

WASHER

SN: 70136-70342

1шт.

4

01016-50825

BOLT

SN: 70136-70342

4шт.

5

01643-30823

WASHER

SN: 70136-70342

4шт.

6

02781-00422

UNION

SN: 70136-70342

1шт.

7

02782-10422

ELBOW

SN: 70136-70342

1шт.

8

07002-12034

O-RING

SN: 70136-70342

2шт.

9

02896-11012

O-RING

SN: 70136-70342

4шт.

10

418-18-42370

HOSE

SN: 70136-70342

1шт.

11

08210-01802

TUBE, SPIRAL

SN: 70136-70342

1шт.

12

02754-00406

HOSE

SN: 70136-70342

1шт.

13

418-62-35111

ELBOW

SN: 70136-70342

1шт.

14

07000-12018

O-RING

SN: 70136-70342

2шт.

15

417-18-41190

ELBOW

SN: 70136-70342

1шт.

16

02762-00510

HOSE

SN: 70136-70342

1шт.

17

02782-10516

ELBOW

SN: 70136-70342

1шт.

18

07002-22034

O-RING

SN: 70136-70342

1шт.

19

02896-21015

O-RING

SN: 70136-70342

1шт.

20

02782-10524

ELBOW

SN: 70136-70342

1шт.

21

07002-22434

O-RING

SN: 70136-70342

1шт.

22

02896-21015

O-RING

SN: 70136-70342

1шт.

23

04434-52310

CLIP

SN: 70136-70342

1шт.

24

01010-81020

BOLT

SN: 70136-70342

1шт.

25

01643-31032

WASHER

SN: 70136-70342

1шт.

26

02781-00422

UNION

SN: 70136-70342

1шт.

27

07002-21823

O-RING

SN: 70136-70342

1шт.

28

02896-21012

O-RING

SN: 70136-70342

2шт.

29

02782-10420

ELBOW

SN: 70136-70342

1шт.

30

07002-12034

O-RING

SN: 70136-70342

1шт.

31

02896-21012

O-RING

SN: 70136-70342

1шт.

32

418-18-41430

UNION

SN: 70136-70342

1шт.

Выбрано товаров: 33