Качественные детали и логистика
Оригинальные и аналоговые запчасти с доставкой по России, Казахстану и Беларуси
©2022 PartSell ООО "Система" ИНН 2463123282 ОГРН 1212400004838
Центральный офис: г. Красноярск, Академика Киренского, д.87, пом.4
Телефон: 8 (800) 777-65-74 Email: zakaz@partsell.ru
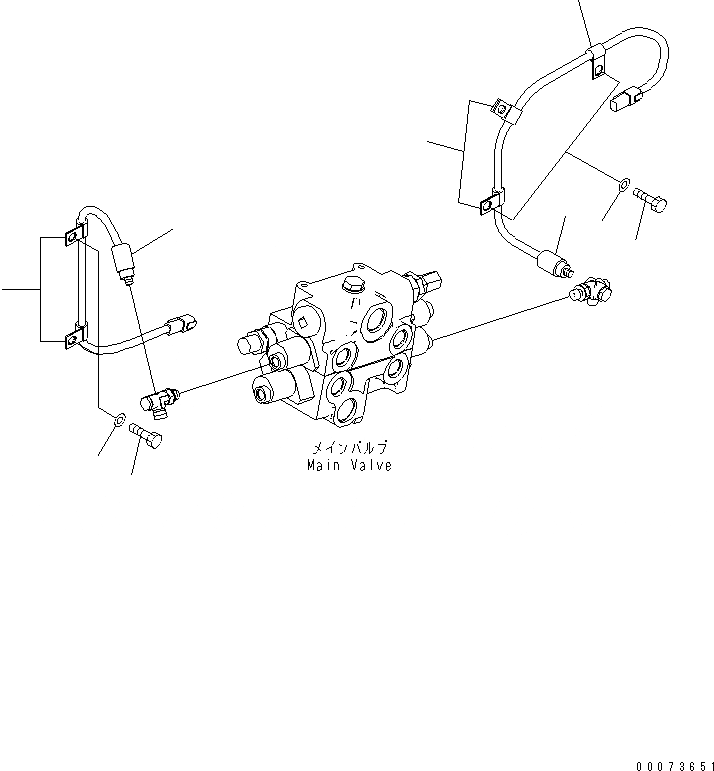
ОСНОВН. КЛАПАН (P.P.C. ДАТЧИК) (ДЛЯ 2-Х СЕКЦИОНН. КЛАПАН И E.C.S.S.)
№
Артикул
Название
Примечание
Количество
1
195-06-55120
SWITCH
SN: 70136-70342
2шт.
2
04434-50610
CLIP
5шт.
3
01010-81020
BOLT
4шт.
4
01643-31032
WASHER
Выбрано товаров: 0