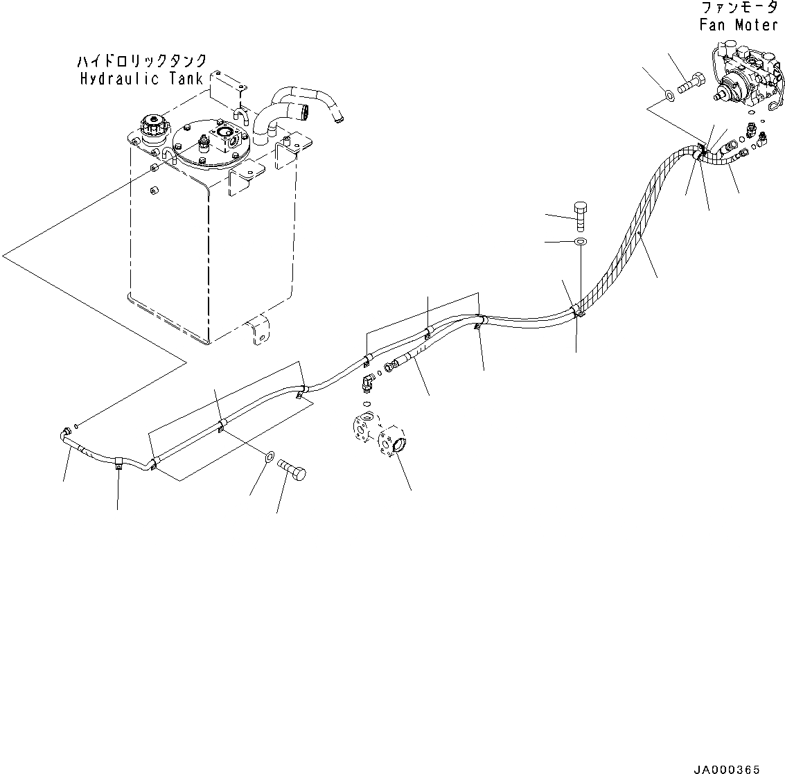
Запчасти Komatsu WA200PZ-6 ПРИВОД ВЕНТИЛЯТОРА H ГИДРАВЛИКА

Схема запчастей Komatsu WA200PZ-6 - ПРИВОД ВЕНТИЛЯТОРА H ГИДРАВЛИКА
8
13
12
9
7
11
10
13
12
3
8
4
1
5
3
8
8
2
6
6
14
FIT
1:1
100%

Артикул

Название

Примечание

Количество

1

417-03-43320

HOSE

SN: 70136-70342

1шт.

2

08210-01807

SPIRAL TUBE

SN: 70136-70342

1шт.

3

04434-51910

CLIP

SN: 70136-70342

2шт.

4

04434-52511

CLIP

SN: 70136-70342

1шт.

5

07095-20318

CUSHION

SN: 70136-70342

1шт.

6

417-03-43330

HOSE

SN: 70136-70342

1шт.

7

04434-52110

CLIP

SN: 70136-70342

1шт.

8

04434-51510

CLIP

SN: 70136-70342

8шт.

9

07095-20314

CUSHION

SN: 70136-70342

1шт.

10

01010-81020

BOLT

SN: 70136-70342

6шт.

11

01643-31032

WASHER

SN: 70136-70342

6шт.

12

01010-81025

BOLT

SN: 70136-70342

3шт.

13

01643-31032

WASHER

SN: 70136-70342

3шт.

14

417-62-41790

BLOCK

-1шт.

Выбрано товаров: 14