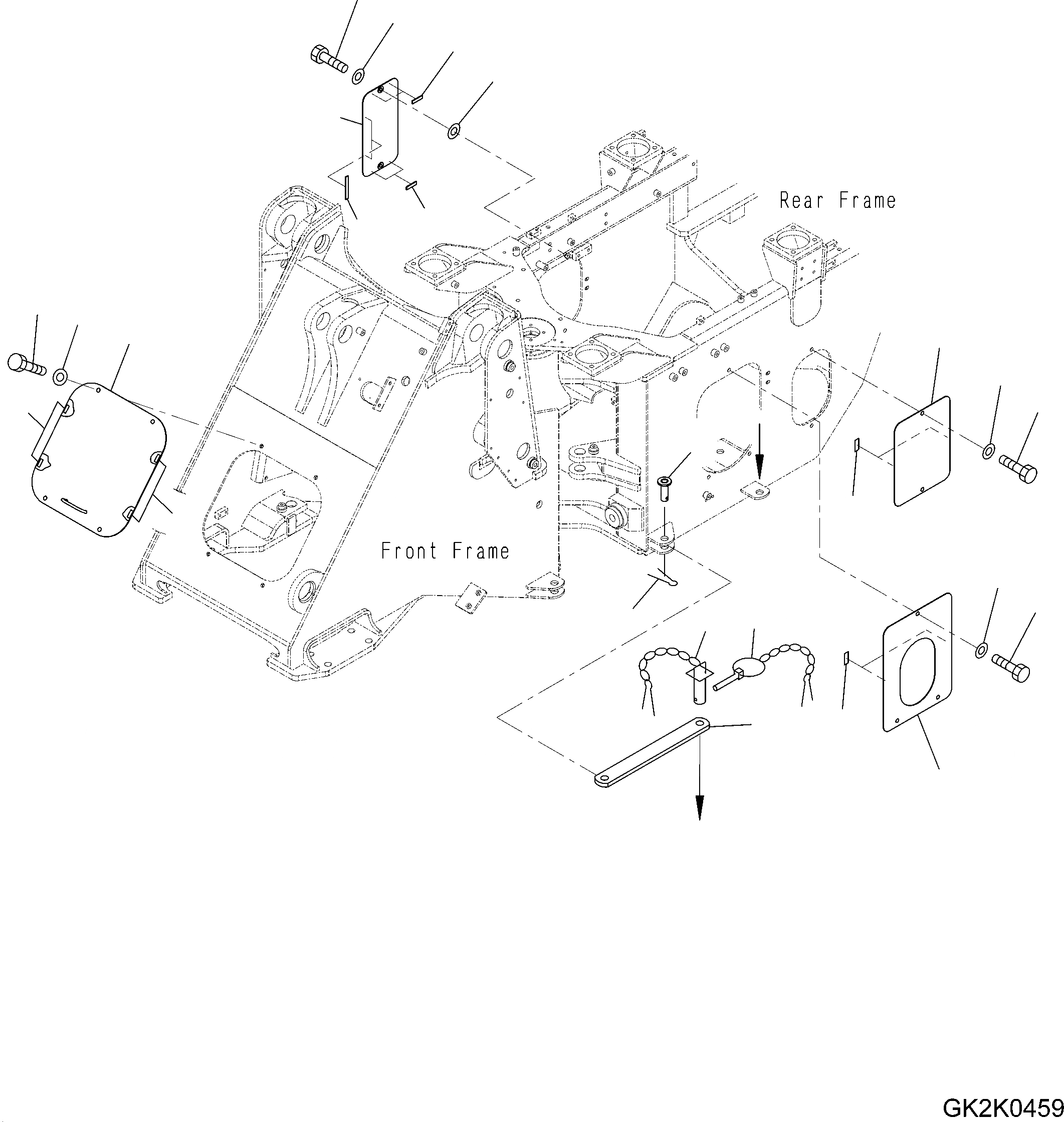
Запчасти Komatsu WA200PZ-6 БЛОКИР. ШАНГА И COVER J ОСНОВНАЯ РАМА И ЕЕ ЧАСТИ

Схема запчастей Komatsu WA200PZ-6 - БЛОКИР. ШАНГА И COVER J ОСНОВНАЯ РАМА И ЕЕ ЧАСТИ
12
a
13
a
15
18
14
15
16
7
8
5
10
13
12
6
2
11
6
13
12
4
17
3
1
11
9
FIT
1:1
100%

Артикул

Название

Примечание

Количество

1

417-46-24140

BAR

SN: 70136-70342

1шт.

2

416-46-12230

PIN

SN: 70136-70342

1шт.

3

04050-18055

PIN,COTTER

SN: 70136-70342

1шт.

4

421-46-12750

PIN, LINCH

SN: 70136-70342

1шт.

5

417-46-31331

COVER

SN: 70136-70342

1шт.

6

421-09-21420

SHEET, (BONDED)

SN: 70136-70342

4шт.

7

01010-81230

BOLT

SN: 70136-70342

4шт.

8

01643-31232

WASHER

SN: 70136-70342

4шт.

9

417-46-34411

COVER,LHS

SN: 70136-70342

1шт.

10

418-46-34421

COVER,LHS

SN: 70136-70342

1шт.

11

421-09-21420

SHEET, (BONDED)

SN: 70136-70342

6шт.

12

01010-81225

BOLT

SN: 70136-70342

7шт.

13

01643-31232

WASHER

SN: 70136-70342

7шт.

14

417-46-34432

COVER,RHS

SN: 70136-70342

1шт.

15

418-46-44430

CUSHION, (BONDED)

SN: 70136-70342

4шт.

16

418-54-22190

CUSHION, (BONDED)

SN: 70136-70342

2шт.

17

416-46-12220

PIN

SN: 70136-70342

1шт.

18

01642-21216

WASHER

SN: 70136-70342

2шт.

Выбрано товаров: 18