Запчасти Komatsu WA200PZ-6 УПРАВЛЕНИЕ ПОГРУЗКОЙ (KOMTRAX И РЕЛЕ) K OPERATORґS ОБСТАНОВКА И СИСТЕМА УПРАВЛЕНИЯ

Схема запчастей Komatsu WA200PZ-6 - УПРАВЛЕНИЕ ПОГРУЗКОЙ (KOMTRAX И РЕЛЕ) K OPERATORґS ОБСТАНОВКА И СИСТЕМА УПРАВЛЕНИЯ
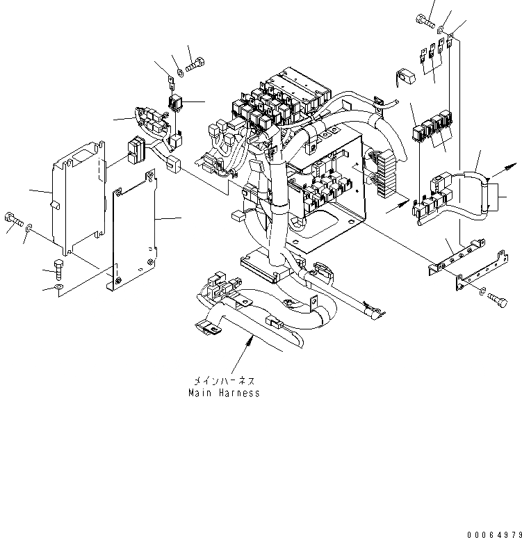
1
2
3
4
5
6
7
8
9
10
11
12
13
14
15
16
17
18
19
17
a
a
FIT
1:1
100%

Артикул

Название

Примечание

Количество

1

7826-20-7033

CONTROLLER

SN: 70136-70342

1шт.

2

01016-50825

BOLT

SN: 70136-70342

4шт.

3

01643-30823

WASHER

SN: 70136-70342

4шт.

4

419-54-42680

BRACKET

SN: 70136-70342

1шт.

5

01010-80816

BOLT

SN: 70136-70342

4шт.

6

01643-30823

WASHER

SN: 70136-70342

4шт.

7

418-06-41390

WIRING HARNESS

SN: 70136-70342

1шт.

8

569-06-61960

RELAY

SN: 70136-70342

1шт.

9

287-06-16420

HOLDER

SN: 70136-70342

1шт.

10

01010-80610

BOLT

SN: 70136-70342

1шт.

11

01643-30623

WASHER

SN: 70136-70342

1шт.

12

418-06-42130

WIRING HARNESS

SN: 70136-70342

1шт.

13

08059-00310

CLIP

SN: 70136-70342

2шт.

14

418-54-43110

BRACKET

SN: 70136-70342

1шт.

15

569-06-61960

RELAY

SN: 70136-70342

3шт.

16

569-06-61970

RELAY

SN: 70136-70342

1шт.

17

287-06-16420

HOLDER

SN: 70136-70342

4шт.

18

01010-80616

BOLT

SN: 70136-70342

4шт.

19

01643-30623

WASHER

SN: 70136-70342

4шт.

Выбрано товаров: 19