Запчасти Komatsu WA200PZ-6 ВПРЫСК AA ДВИГАТЕЛЬ

Схема запчастей Komatsu WA200PZ-6 - ВПРЫСК AA ДВИГАТЕЛЬ
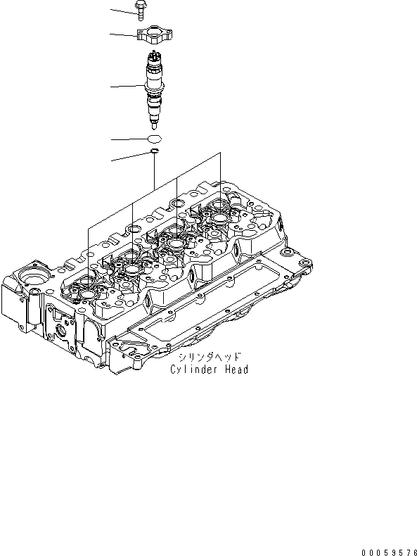
1
2
3
4
5
1
2
3
4
5
FIT
1:1
100%

Артикул

Название

Примечание

Количество

|$1

6754-11-3011

INJECTOR ASSEMBLY

SN: 26524284-UP

4шт.

|$2

6754-11-3010

INJECTOR ASSEMBLY

SN: 26503098-26524283

4шт.

1

0

CLAMP

SN: 26503098-UP

4шт.

2

0

INJECTOR

SN: 26524284-UP

4шт.

2

0

INJECTOR

SN: 26503098-26524283

4шт.

3

6754-11-3130

GASKET

SN: 26503098-UP

4шт.

4

6754-11-3140

O-RING

SN: 26503098-UP

4шт.

5

6742-01-2630

BOLT

SN: 26503098-UP

8шт.

|$1

6754-11-3011

INJECTOR ASSEMBLY

|$2

6754-11-3010

INJECTOR ASSEMBLY

1

CLAMP

2

INJECTOR

2

INJECTOR

3

6754-11-3130

GASKET

4

6754-11-3140

O-RING

5

6742-01-2630

BOLT

Выбрано товаров: 16