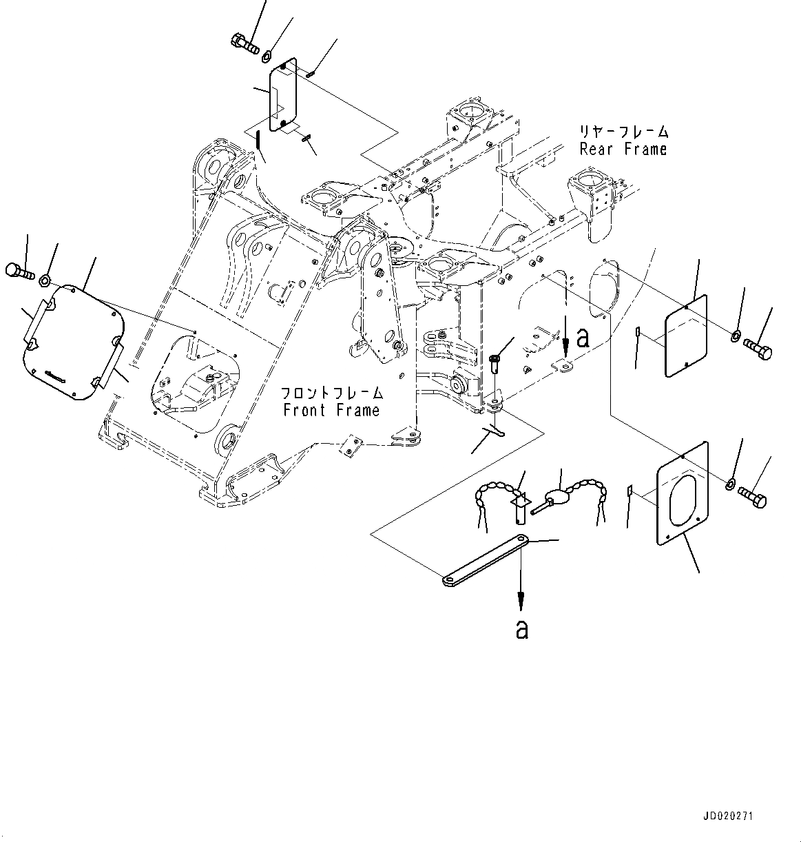
Запчасти Komatsu WA200PZ-6 СОЧЛ. СОЕД. БЛОКИР. BAR И РАМА КРЫШКА(№788-) СОЧЛ. СОЕД. БЛОКИР. BAR И РАМА COVER, ДЛЯ СТРАН ЕС ARRANGEMENT

Схема запчастей Komatsu WA200PZ-6 - СОЧЛ. СОЕД. БЛОКИР. BAR И РАМА КРЫШКА(№788-) СОЧЛ. СОЕД. БЛОКИР. BAR И РАМА COVER, ДЛЯ СТРАН ЕС ARRANGEMENT
7
5
13
12
3
1
9
11
13
12
10
13
11
12
2
8
17
4
6
6
14
16
15
15
FIT
1:1
100%

Артикул

Название

Примечание

Количество

1

417-46-24140

Bar

SN: 70883-UP

1шт.

2

416-46-12230

Pin

SN: 70883-UP

1шт.

3

04050-18055

Pin, Cotter

SN: 70883-UP

1шт.

4

421-46-12750

Pin

SN: 70883-UP

1шт.

5

417-46-31331

Cover

SN: 70883-UP

1шт.

6

421-09-21420

Sheet

SN: 70883-UP

4шт.

7

01010-81230

Bolt

SN: 70883-UP

4шт.

8

01643-31232

Washer

SN: 70883-UP

4шт.

9

417-46-34411

Cover,L.H.

SN: 70883-UP

1шт.

10

418-46-34421

Cover,L.H.

SN: 70883-UP

1шт.

11

421-09-21420

Sheet

SN: 70883-UP

4шт.

12

01010-81225

Bolt

SN: 70883-UP

7шт.

13

01643-31232

Washer

SN: 70883-UP

7шт.

14

417-46-44430

Cover,R.H.

SN: 70883-UP

1шт.

15

418-46-44430

Cushion

SN: 70883-UP

4шт.

16

418-54-22190

Cushion

SN: 70883-UP

2шт.

17

416-46-12220

Pin

SN: 70883-UP

1шт.

Выбрано товаров: 17