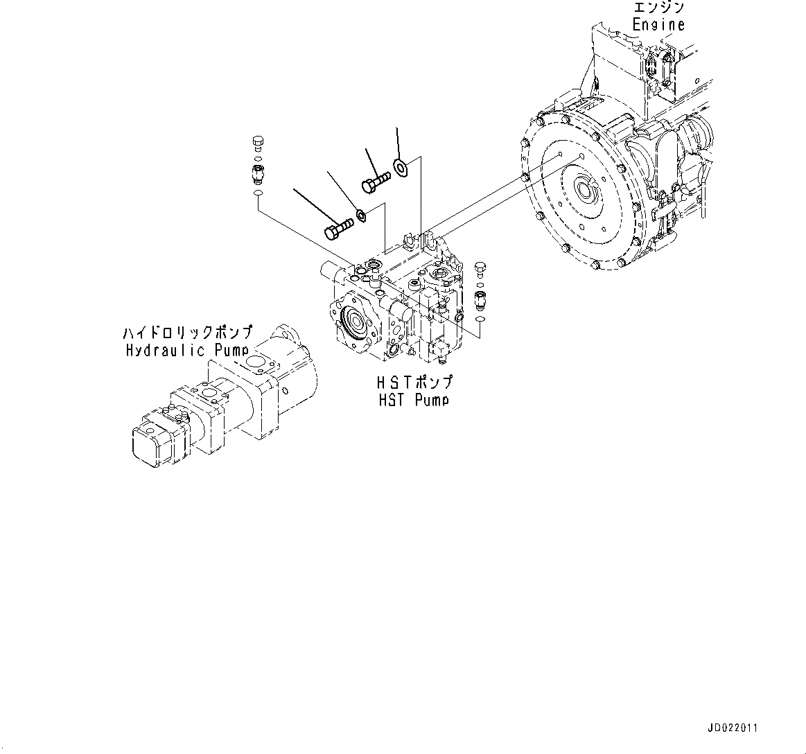
Запчасти Komatsu WA200PZ-6 HYDROSTATIC ТРАНСМИССИЯ (HST) НАСОС И МОТОР, HST НАСОС КРЕПЛЕНИЕ (№788-) HYDROSTATIC ТРАНСМИССИЯ (HST) НАСОС И МОТОР

Схема запчастей Komatsu WA200PZ-6 - HYDROSTATIC ТРАНСМИССИЯ (HST) НАСОС И МОТОР, HST НАСОС КРЕПЛЕНИЕ (№788-) HYDROSTATIC ТРАНСМИССИЯ (HST) НАСОС И МОТОР
4
1
2
3
FIT
1:1
100%

Артикул

Название

Примечание

Количество

1

01010-81240

Bolt

SN: 70883-UP

4шт.

2

175-54-34170

Washer

SN: 70883-UP

4шт.

3

01010-81645

Bolt

SN: 70883-UP

2шт.

4

418-18-31160

Washer

SN: 70883-UP

2шт.

Выбрано товаров: 4