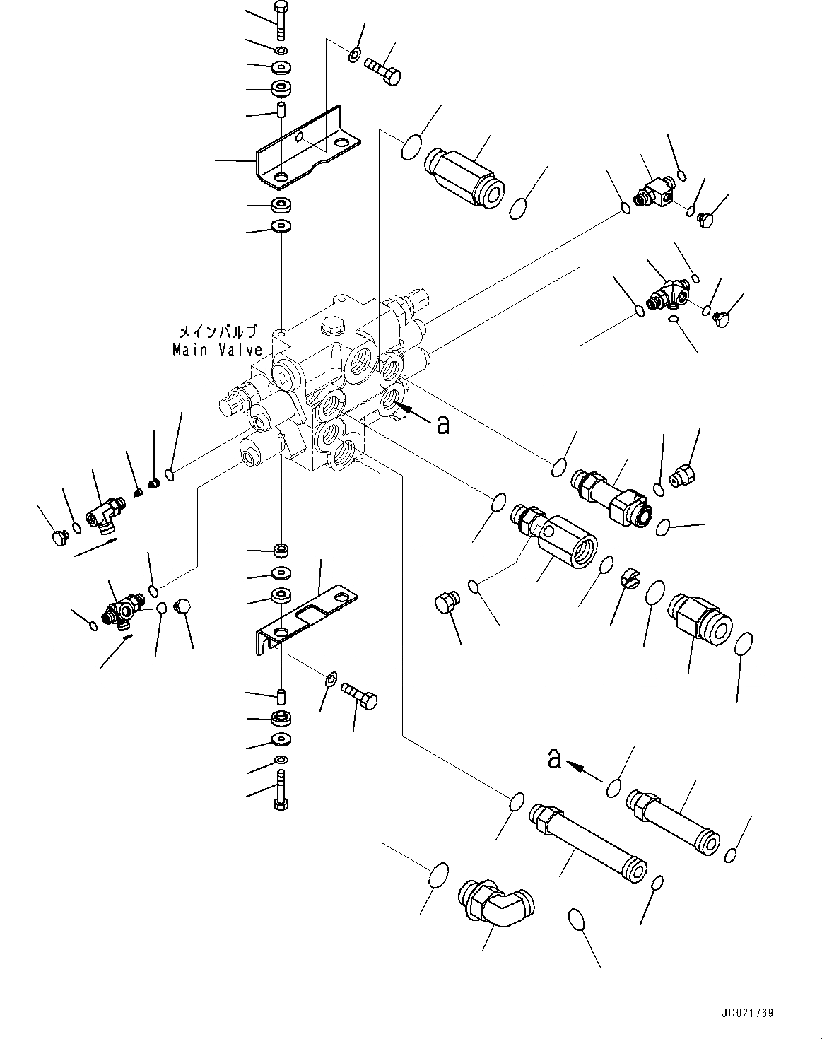
Запчасти Komatsu WA200PZ-6 ГИДРАВЛ УПРАВЛЯЮЩ. КЛАПАН, УПРАВЛЯЮЩ. КЛАПАН КОМПОНЕНТЫ (№788-) ГИДРАВЛ УПРАВЛЯЮЩ. КЛАПАН, С 2-Х СЕКЦИОНН. УПРАВЛЯЮЩ. КЛАПАН

Схема запчастей Komatsu WA200PZ-6 - ГИДРАВЛ УПРАВЛЯЮЩ. КЛАПАН, УПРАВЛЯЮЩ. КЛАПАН КОМПОНЕНТЫ (№788-) ГИДРАВЛ УПРАВЛЯЮЩ. КЛАПАН, С 2-Х СЕКЦИОНН. УПРАВЛЯЮЩ. КЛАПАН
4
2
3
8
7
5
6
8
1
7
22
23
21
12
9
11
10
12
12
9
11
12
13
10
24
34
30
32
33
30
27
26
25
34
33
30
28
32
34
33
30
29
31
34
33
31
31
31
38
18
39
40
17
19
19
20
20
16
14
15
37
35
36
44
45
46
43
42
41
41
42
FIT
1:1
100%

Артикул

Название

Примечание

Количество

1

417-64-31120

Bracket

SN: 70883-UP

1шт.

2

01010-81050

Bolt

SN: 70883-UP

2шт.

3

01643-31032

Washer

SN: 70883-UP

2шт.

4

417-64-31110

Bracket

SN: 70883-UP

1шт.

5

01010-81060

Bolt

SN: 70883-UP

2шт.

6

01643-31032

Washer

SN: 70883-UP

2шт.

7

01010-81235

Bolt

SN: 70883-UP

3шт.

8

01643-31232

Washer

SN: 70883-UP

3шт.

9

419-43-17930

Cushion

SN: 70883-UP

4шт.

10

415-64-13130

Cushion

SN: 70883-UP

4шт.

11

417-54-13470

Spacer

SN: 70883-UP

4шт.

12

415-64-13120

Washer

SN: 70883-UP

8шт.

13

198-43-15310

Collar

SN: 70883-UP

2шт.

14

418-U77-4351

Union

SN: 70883-UP

1шт.

15

07002-12434

O-ring

SN: 70883-UP

1шт.

16

02896-11018

O-ring

SN: 70883-UP

1шт.

17

418-U77-4331

Union

SN: 70883-UP

1шт.

18

418-U77-4321

Union

SN: 70883-UP

1шт.

19

07002-12434

O-ring

SN: 70883-UP

2шт.

20

02896-11018

O-ring

SN: 70883-UP

2шт.

21

209-64-16320

Union

SN: 70883-UP

1шт.

22

07002-13334

O-ring

SN: 70883-UP

1шт.

23

11Y-62-11980

O-ring

SN: 70883-UP

1шт.

24

418-62-34450

Tee

SN: 70883-UP

1шт.

|$24

418-62-34421

Valve Assembly

SN: 70883-UP

1шт.

25

418-62-34490

Elbow

SN: 70883-UP

1шт.

26

418-62-34440

Poppet

SN: 70883-UP

1шт.

27

21Y-62-11591

Plug

SN: 70883-UP

1шт.

28

418-62-34470

Tee

SN: 70883-UP

1шт.

29

418-62-34460

Tee

SN: 70883-UP

1шт.

30

07002-11423

O-ring

SN: 70883-UP

4шт.

31

02896-11008

O-ring

SN: 70883-UP

4шт.

32

02896-11009

O-ring

SN: 70883-UP

2шт.

33

07040-11007

Plug

SN: 70883-UP

4шт.

34

07002-11023

O-ring

SN: 70883-UP

4шт.

35

418-U77-4341

Union

SN: 70883-UP

1шт.

36

02896-11018

O-ring

SN: 70883-UP

1шт.

37

07002-12434

O-ring

SN: 70883-UP

1шт.

38

21W-62-42640

Elbow

SN: 70883-UP

1шт.

39

07002-13334

O-ring

SN: 70883-UP

1шт.

40

11Y-62-11980

O-ring

SN: 70883-UP

1шт.

41

07040-11409

Plug

SN: 70883-UP

2шт.

42

07002-11423

O-ring

SN: 70883-UP

2шт.

43

417-T90-4281

Vent

SN: 70883-UP

1шт.

44

416-62-33310

Union

SN: 70883-UP

1шт.

45

07002-13034

O-ring

SN: 70883-UP

1шт.

46

02896-11018

O-ring

SN: 70883-UP

1шт.

Выбрано товаров: 47