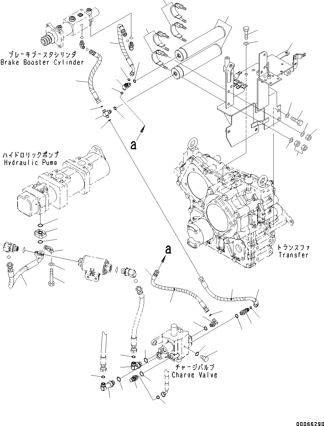
Запчасти Komatsu WA200PZ-6 УПРАВЛ-Е ТОРМОЗОМ, АККУМУЛЯТОР, ЛЕВ. (№788-) УПРАВЛ-Е ТОРМОЗОМ

Схема запчастей Komatsu WA200PZ-6 - УПРАВЛ-Е ТОРМОЗОМ, АККУМУЛЯТОР, ЛЕВ. (№788-) УПРАВЛ-Е ТОРМОЗОМ
18
19
22
23
18
19
23
22
17
21
21
20
26
24
26
25
27
24
25
26
26
28
14
13
1
2
3
16
15
2
1
3
12
11
7
7
5
6
8
4
9
6
10
33
29
31
30
34
35
32
FIT
1:1
100%

Артикул

Название

Примечание

Количество

1

21W-62-43980

Elbow

SN: 70883-UP

2шт.

2

07000-12011

O-ring

SN: 70883-UP

2шт.

3

02896-11008

O-ring

SN: 70883-UP

2шт.

4

418-62-35111

Elbow

SN: 70883-UP

1шт.

5

418-62-35120

Elbow

SN: 70883-UP

1шт.

6

07000-12018

O-ring

SN: 70883-UP

2шт.

7

02896-11012

O-ring

SN: 70883-UP

2шт.

8

56B-88-12320

Elbow

SN: 70883-UP

1шт.

9

07000-12014

O-ring

SN: 70883-UP

1шт.

10

02896-11009

O-ring

SN: 70883-UP

1шт.

11

07040-11007

Plug

SN: 70883-UP

1шт.

12

07002-11023

O-ring

SN: 70883-UP

1шт.

13

418-43-37251

Hose

SN: 70883-UP

1шт.

14

08210-01202

Spiral Tube

SN: 70883-UP

1шт.

15

418-43-37262

Hose

SN: 70883-UP

1шт.

16

08210-01202

Spiral Tube

SN: 70883-UP

1шт.

17

417-43-47941

Bracket

SN: 70883-UP

1шт.

18

01010-81225

Bolt

SN: 70883-UP

6шт.

19

01643-31232

Washer

SN: 70883-UP

6шт.

20

418-43-37401

Accumulator

SN: 70883-UP

2шт.

21

417-43-37140

Band

SN: 70883-UP

4шт.

22

01582-11008

Nut

SN: 70883-UP

12шт.

23

01643-31032

Washer

SN: 70883-UP

8шт.

24

417-43-37410

Tee

SN: 70883-UP

2шт.

25

07000-12011

O-ring

SN: 70883-UP

2шт.

26

02896-11008

O-ring

SN: 70883-UP

4шт.

27

417-43-47480

Hose

SN: 70883-UP

1шт.

28

417-43-47490

Hose

SN: 70883-UP

1шт.

29

417-43-47130

Hose

SN: 70883-UP

1шт.

30

07000-12021

O-ring

SN: 70883-UP

1шт.

31

07371-30400

Flange

SN: 70883-UP

2шт.

32

01010-80845

Bolt

SN: 70883-UP

4шт.

33

01643-50823

Washer

SN: 70883-UP

4шт.

34

07373-20400

Spacer

SN: 70883-UP

1шт.

35

07000-12021

O-ring

SN: 70883-UP

1шт.

Выбрано товаров: 0