Запчасти Komatsu WA200PZ-6 ЗАДН. ЭЛЕКТРИЧ. ПРОВОДКА, ЭКСТРЕНН. РУЛЕВ. УПРАВЛЕНИЕ ПРОВОДКА (№7-) ЗАДН. ЭЛЕКТРИЧ. ПРОВОДКА, С ЭКСТРЕНН. УПРАВЛ., АВТОМАТИЧ. УПРАВЛ-Е ТИП

Схема запчастей Komatsu WA200PZ-6 - ЗАДН. ЭЛЕКТРИЧ. ПРОВОДКА, ЭКСТРЕНН. РУЛЕВ. УПРАВЛЕНИЕ ПРОВОДКА (№7-) ЗАДН. ЭЛЕКТРИЧ. ПРОВОДКА, С ЭКСТРЕНН. УПРАВЛ., АВТОМАТИЧ. УПРАВЛ-Е ТИП
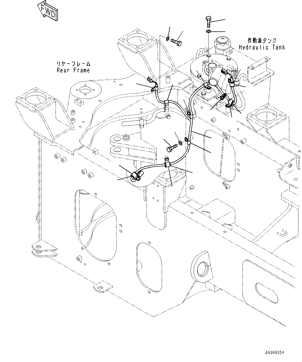
1
2
3
4
5
6
7
8
9
2
2
2
2
4
3
3
3
4
4
6
5
FIT
1:1
100%

Артикул

Название

Примечание

Количество

1

418-06-42571

Wiring Harness

SN: 72144-UP

1шт.

2

04434-51012

Clip

SN: 72144-UP

5шт.

3

04434-51712

Clip

SN: 72144-UP

4шт.

4

07095-20211

Cushion

SN: 72144-UP

4шт.

5

01010-81020

Bolt

SN: 70883-UP

2шт.

6

01643-31032

Washer

SN: 70883-UP

2шт.

7

08034-40521

Band

SN: 70883-UP

1шт.

8

01010-81025

Bolt

SN: 72144-UP

1шт.

9

01643-31032

Washer

SN: 72144-UP

1шт.

Выбрано товаров: 9