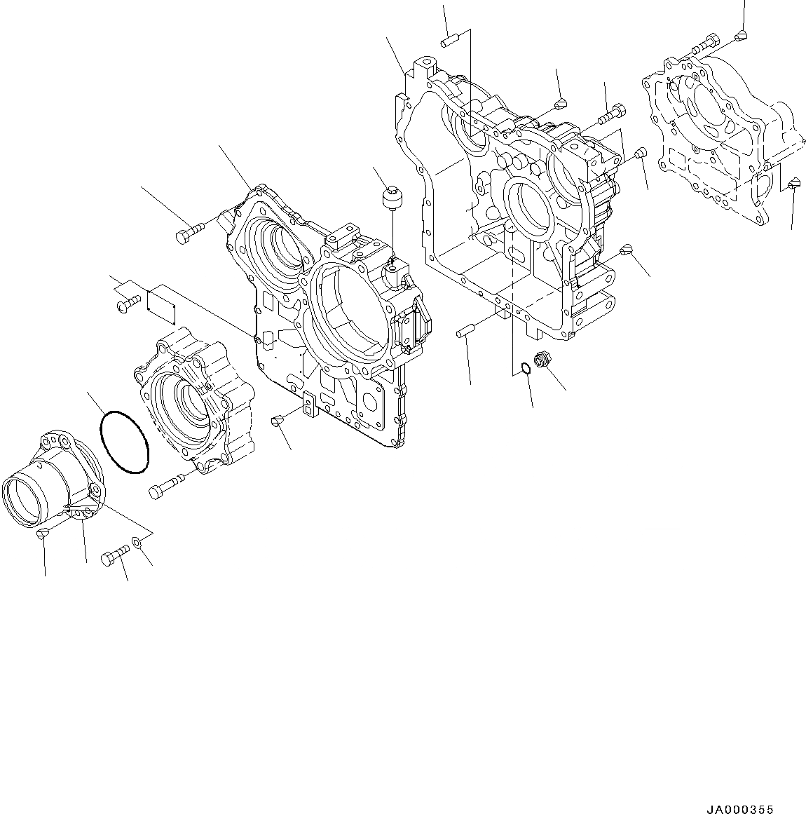
Запчасти Komatsu WA200PZ-6 ПЕРЕДАЧА, КОРПУС (№788-) ПЕРЕДАЧА, С КРЫШКА МАСЛОНАЛИВНОГО ПАТРУБКА БЛОКИРОВКА И КРЫШКИБЛОКИР.

Схема запчастей Komatsu WA200PZ-6 - ПЕРЕДАЧА, КОРПУС (№788-) ПЕРЕДАЧА, С КРЫШКА МАСЛОНАЛИВНОГО ПАТРУБКА БЛОКИРОВКА И КРЫШКИБЛОКИР.
14
15
2
14
5
14
14
8
13
14
10
3
1
4
7
6
4
3
9
12
11
FIT
1:1
100%

Артикул

Название

Примечание

Количество

|$0

417-17-31004

Transfer Assembly

SN: 70883-UP

1шт.

|$1

417-17-31104

Case Assembly

SN: 70883-UP

1шт.

1

Case,Front

SN: 70883-UP

1шт.

2

Case,Rear

SN: 70883-UP

1шт.

3

01010-81235

Bolt

SN: 70883-UP

20шт.

4

04020-01228

Pin, Dowel

SN: 70883-UP

2шт.

5

07043-A0211

Plug, Taper

SN: 70883-UP

2шт.

6

07044-12412

Plug

SN: 70883-UP

1шт.

7

07002-12434

O-ring

SN: 70883-UP

1шт.

8

07030-00252

Breather

SN: 70883-UP

1шт.

9

417-17-31131

Cage

SN: 70883-UP

1шт.

10

01010-81235

Bolt

SN: 70883-UP

6шт.

11

01643-31232

Washer

SN: 70883-UP

6шт.

12

07000-75130

O-ring

SN: 70883-UP

1шт.

13

09608-05080

Plate, Name (Limited Supply)

SN: 70883-UP

1шт.

13

04418-13060

Screw

SN: 70883-UP

4шт.

14

07049-01215

Plug

SN: 70883-UP

9шт.

15

07049-01620

Plug

SN: 70883-UP

1шт.

Выбрано товаров: 18