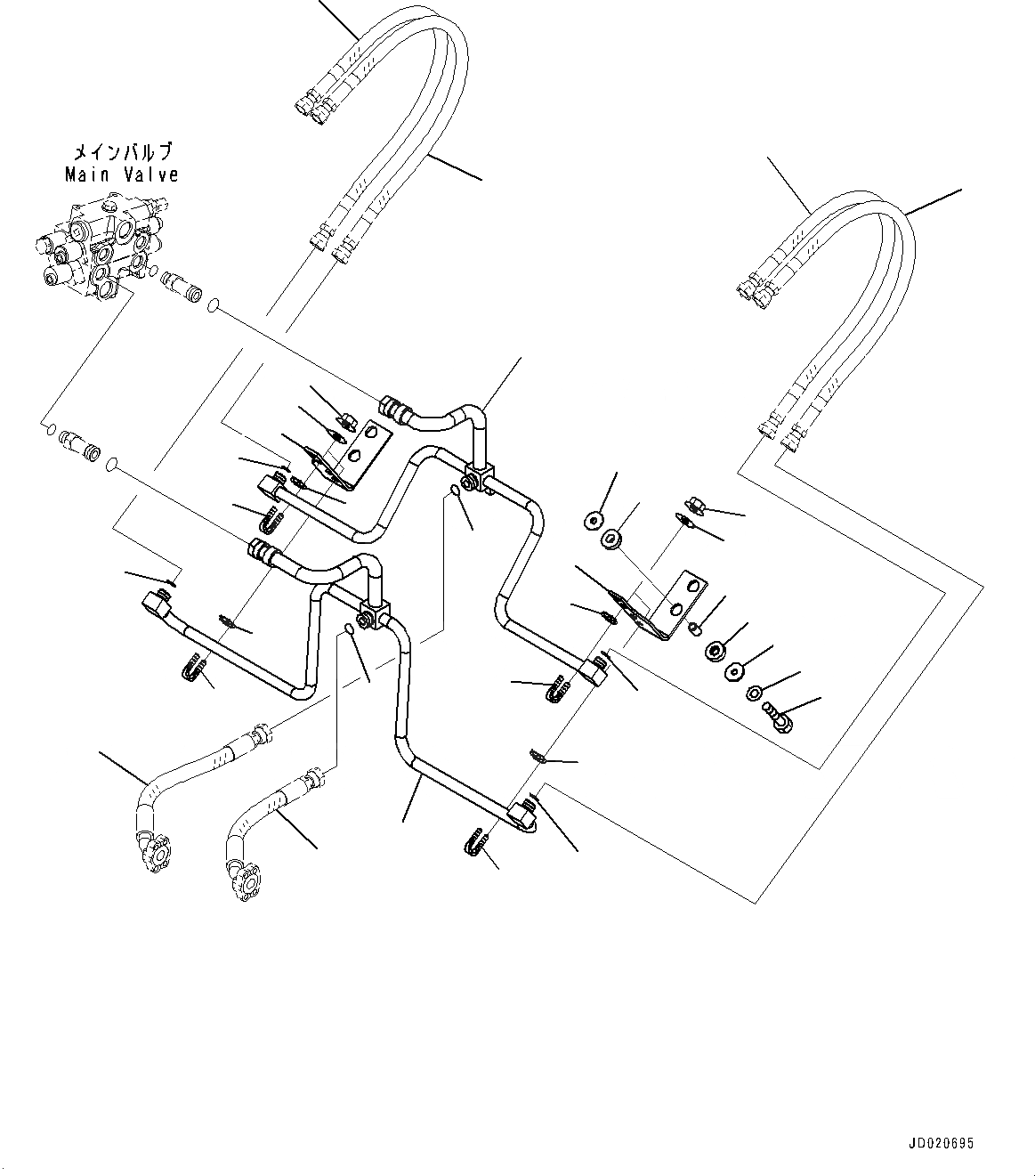
Запчасти Komatsu WA200PZ-6 ГИДРОЛИНИЯ, ГИДРОЦИЛИНДР ПОДЪЕМА ТРУБЫ (/) (№788-) ГИДРОЛИНИЯ, С 2-Х СЕКЦИОНН. УПРАВЛЯЮЩ. КЛАПАН, ШИР. СЕРДЦЕВИНА РАДИАТОР, ECSS, ЭКСТРЕНН. РУЛЕВ. УПРАВЛЕНИЕ, АВТОМАТИЧ. УПРАВЛ-Е ТИП

Схема запчастей Komatsu WA200PZ-6 - ГИДРОЛИНИЯ, ГИДРОЦИЛИНДР ПОДЪЕМА ТРУБЫ (/) (№788-) ГИДРОЛИНИЯ, С 2-Х СЕКЦИОНН. УПРАВЛЯЮЩ. КЛАПАН, ШИР. СЕРДЦЕВИНА РАДИАТОР, ECSS, ЭКСТРЕНН. РУЛЕВ. УПРАВЛЕНИЕ, АВТОМАТИЧ. УПРАВЛ-Е ТИП
6
7
10
8
5
5
8
14
12
13
11
14
16
15
5
5
6
7
4
4
4
4
3
3
1
2
9
8
8
17
17
17
17
19
18
FIT
1:1
100%

Артикул

Название

Примечание

Количество

1

417-T90-4212

Tube

SN: 70883-UP

1шт.

2

417-T90-4223

Tube

SN: 70883-UP

1шт.

3

02896-11018

O-ring

SN: 70883-UP

2шт.

4

02896-11015

O-ring

SN: 70883-UP

4шт.

5

07283-32236

Clip, Pipe

SN: 70883-UP

4шт.

6

01597-01009

Nut

SN: 70883-UP

8шт.

7

01643-31032

Washer

SN: 70883-UP

8шт.

8

07283-52232

Seat

SN: 70883-UP

4шт.

9

417-T90-4670

Plate,L.H.

SN: 70883-UP

1шт.

10

417-T90-4680

Plate,R.H.

SN: 70883-UP

1шт.

11

415-64-13130

Cushion

SN: 70883-UP

4шт.

12

419-43-17930

Cushion

SN: 70883-UP

4шт.

13

417-54-13470

Spacer

SN: 70883-UP

4шт.

14

415-64-13120

Washer

SN: 70883-UP

8шт.

15

01010-81060

Bolt

SN: 70883-UP

4шт.

16

01643-31032

Washer

SN: 70883-UP

4шт.

17

417-T90-4513

Hose

SN: UP

-1шт.

18

417-S99-4110

Hose

SN: UP

-1шт.

19

417-S99-4120

Hose

SN: UP

-1шт.

Выбрано товаров: 0