Запчасти Komatsu WA200PZ-6 ПОЗИЦИОНЕР КОВША(№788-) КОВШ ПОЗИЦИОНЕР, БЕЗ MULTI-COUPLER

Схема запчастей Komatsu WA200PZ-6 - ПОЗИЦИОНЕР КОВША(№788-) КОВШ ПОЗИЦИОНЕР, БЕЗ MULTI-COUPLER
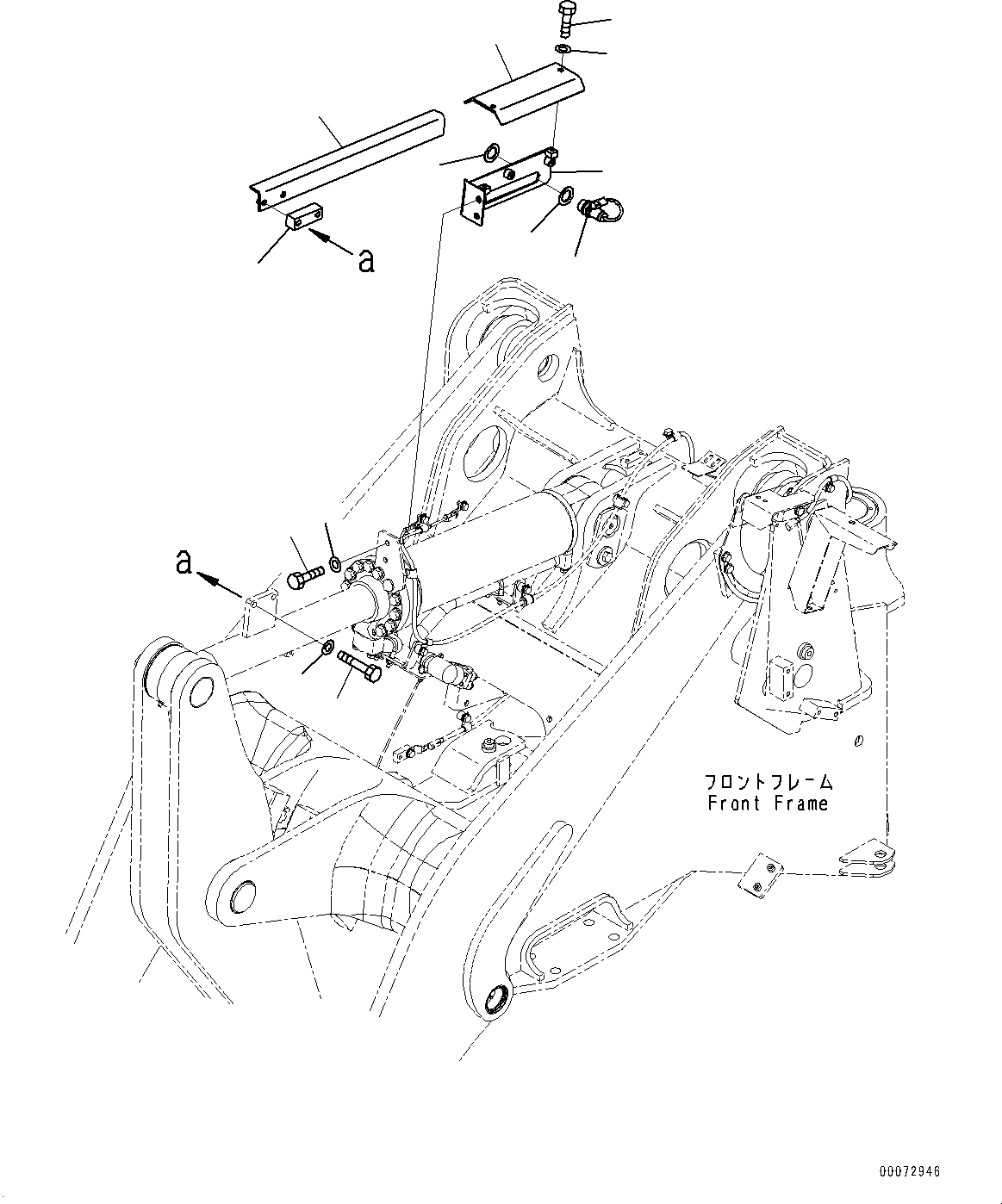
5
1
2
3
8
7
4
11
10
12
6
9
2
FIT
1:1
100%

Артикул

Название

Примечание

Количество

1

56B-06-15610

Switch

SN: 70883-UP

1шт.

2

418-U77-3650

Washer

SN: 70883-UP

2шт.

3

417-U77-4410

Bracket

SN: 70883-UP

1шт.

4

01010-81230

Bolt

SN: 70883-UP

2шт.

5

01643-31232

Washer

SN: 70883-UP

2шт.

6

418-U77-4480

Plate

SN: 70883-UP

1шт.

7

01010-81020

Bolt

SN: 70883-UP

2шт.

8

01643-31032

Washer

SN: 70883-UP

2шт.

9

417-U77-4423

Plate

SN: 70883-UP

1шт.

10

01010-81270

Bolt

SN: 70883-UP

2шт.

11

01643-31232

Washer

SN: 70883-UP

2шт.

12

417-U77-4442

Block

SN: 70883-UP

1шт.

Выбрано товаров: 12