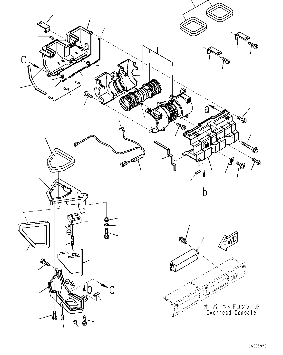
Запчасти Komatsu WA200PZ-6 КАБИНА ROPS И ОСНОВН. КОНСТРУКЦИЯ ГРУППА, КОНДИЦ. ВОЗДУХА И ОБОГРЕВАТЕЛЬ., НАГНЕТАТЕЛЬ (№7-) КАБИНА ROPS И ОСНОВН. КОНСТРУКЦИЯ ГРУППА

Схема запчастей Komatsu WA200PZ-6 - КАБИНА ROPS И ОСНОВН. КОНСТРУКЦИЯ ГРУППА, КОНДИЦ. ВОЗДУХА И ОБОГРЕВАТЕЛЬ., НАГНЕТАТЕЛЬ (№7-) КАБИНА ROPS И ОСНОВН. КОНСТРУКЦИЯ ГРУППА
17
29
23
25
19
22
19
31
26
19
27
30
28
19
21
24
15
19
19
19
19
33
32
19
18
20
6
4
16
15
13
16
12
11
10
9
8
7
3
1
14
5
20
2
19
38
36
37
34
35
FIT
1:1
100%

Артикул

Название

Примечание

Количество

|$0

423-07-31502

Blower Assembly

SN: 71023-UP

1шт.

|$1

423-07-31543

Blower Assembly

SN: 71023-UP

1шт.

1

AN51104-10570

Blower Assembly

SN: 71023-UP

1шт.

2

AN51153-40391

Case

SN: 71023-UP

1шт.

3

AN51153-40581

Case

SN: 71023-UP

1шт.

4

AN51500-10970

Motor Assembly

SN: 71023-UP

1шт.

5

AN51153-40490

Case

SN: 71023-UP

1шт.

6

AN51153-40500

Case

SN: 71023-UP

1шт.

7

AN51191-58750

Packing

SN: 71023-UP

1шт.

8

AN51191-58760

Packing

SN: 71023-UP

1шт.

9

AN51191-59420

Packing

SN: 71023-UP

1шт.

10

AN51191-59430

Packing

SN: 71023-UP

1шт.

11

AN51191-59440

Packing

SN: 71023-UP

1шт.

12

AN51191-59460

Packing

SN: 71023-UP

1шт.

13

AN51194-53610

Packing

SN: 71023-UP

2шт.

14

AN51240-12310

Bracket

SN: 71023-UP

1шт.

15

AN51240-43460

Bracket

SN: 71023-UP

2шт.

16

AN51420-42920

Cap

SN: 71023-UP

2шт.

17

AN51550-18790

Wiring Harness

SN: 71023-UP

1шт.

18

ANBF00640DP1

Bolt

SN: 71023-UP

2шт.

19

ANTB105160TI

Screw

SN: 71023-UP

19шт.

20

AN51870-40040

Clamp

SN: 71023-UP

4шт.

|$22

423-07-31551

Intake Box Assembly

SN: 71023-UP

1шт.

21

AN51170-43790

Box

SN: 71023-UP

1шт.

22

AN51170-43800

Box

SN: 71023-UP

1шт.

23

AN51191-59460

Packing

SN: 71023-UP

1шт.

24

AN51194-53570

Packing

SN: 71023-UP

1шт.

25

AN51194-53580

Packing

SN: 71023-UP

1шт.

26

AN51420-40780

Cap

SN: 71023-UP

1шт.

27

AN51502-15130

Actuator

SN: 71023-UP

1шт.

28

AN51571-43610

Valve

SN: 71023-UP

1шт.

29

AN51573-11570

Damper

SN: 71023-UP

1шт.

30

ANTN104300T1

Screw

SN: 71023-UP

3шт.

31

AN51853-41520

Nut

SN: 71023-UP

1шт.

32

AN51259-41750

Bracket

SN: 71023-UP

1шт.

33

AN51852-40770

Screw

SN: 71023-UP

1шт.

34

208-979-7540

Collar

SN: 71023-UP

1шт.

35

01010-80825

Bolt

SN: 71023-UP

4шт.

36

01643-30823

Washer

SN: 71023-UP

4шт.

37

423-07-31563

Control Panel Assembly

SN: 71023-UP

1шт.

38

01023-10514

Screw

SN: 71023-UP

4шт.

Выбрано товаров: 41