Запчасти Komatsu WA200PZ-6 КАБИНА ROPS И ОСНОВН. КОНСТРУКЦИЯ ГРУППА, ПОЛ, ПРОВОДКА (/) (№7-) КАБИНА ROPS И ОСНОВН. КОНСТРУКЦИЯ ГРУППА

Схема запчастей Komatsu WA200PZ-6 - КАБИНА ROPS И ОСНОВН. КОНСТРУКЦИЯ ГРУППА, ПОЛ, ПРОВОДКА (/) (№7-) КАБИНА ROPS И ОСНОВН. КОНСТРУКЦИЯ ГРУППА
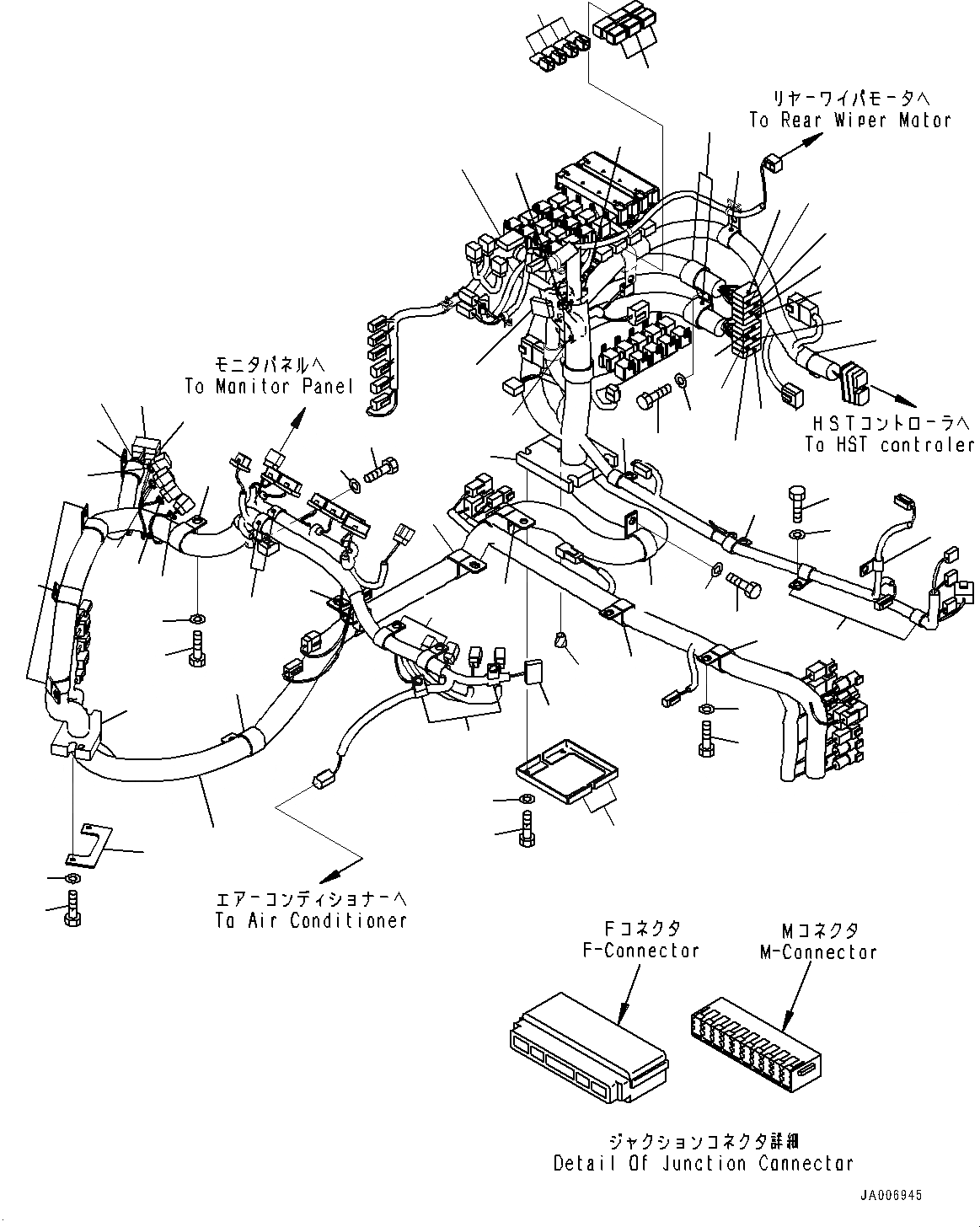
36
34
21
16
1
35
33
32
31
18
28
27
18
16
20
4
5
2
3
11
14
9
25
15
19
40
41
32
31
25
28
27
37
39
12
18
16
23
13
11
16
22
24
27
28
26
24
38
9
16
17
7
6
29
30
9
9
16
8
11
9
13
12
14
11
10
17
FIT
1:1
100%

Артикул

Название

Примечание

Количество

1

418-06-41411

Wiring Harness

SN: 71023-UP

1шт.

2

20Y-62-22790

Band, Red

SN: 71023-UP

1шт.

3

20Y-62-22820

Band, Blue

SN: 71023-UP

1шт.

4

20Y-62-22830

Band, White

SN: 71023-UP

1шт.

5

20Y-62-22850

Band, Green

SN: 71023-UP

1шт.

6

21J-06-13661

Diode

SN: 71023-UP

4шт.

7

8233-06-3350

Diode

SN: 71023-UP

3шт.

8

HM6440-0136

F-Connector, Purple

SN: 71023-UP

1шт.

8

HM6440-0135

M-Connector, Purple

SN: 71023-UP

1шт.

9

HM6400-0016

F-Connector, Orange

SN: 71023-UP

5шт.

9

HM6409-0075

M-Connector, Orange

SN: 71023-UP

5шт.

10

HM6400-0014

F-Connector, Blue

SN: 71023-UP

1шт.

10

HM6409-0073

M-Connector, Blue

SN: 71023-UP

1шт.

11

HM6440-0129

F-Connector, Pink

SN: 71023-UP

4шт.

11

HM6440-0128

M-Connector, Pink

SN: 71023-UP

4шт.

12

HM6400-0012

F-Connector, Black

SN: 71023-UP

2шт.

12

HM6409-0071

M-Connector, Black

SN: 71023-UP

2шт.

13

HM6400-0013

F-Connector, Green

SN: 71023-UP

2шт.

13

HM6409-0072

M-Connector, Green

SN: 71023-UP

2шт.

14

HM6400-0081

F-Connector, Gray

SN: 71023-UP

2шт.

14

HM6409-0255

M-Connector, Gray

SN: 71023-UP

2шт.

15

419-09-11150

Clip

SN: 71023-UP

1шт.

16

23S-61-24870

Clip

SN: 71023-UP

7шт.

17

142-06-13540

Clip

SN: 71023-UP

2шт.

18

04434-53412

Clip

SN: 71023-UP

6шт.

19

23S-62-25850

Clip

SN: 71023-UP

1шт.

20

04434-52712

Clip

SN: 71023-UP

1шт.

21

195-06-41840

Clip

SN: 71023-UP

2шт.

22

04434-51912

Clip

SN: 71023-UP

1шт.

23

04434-52312

Clip

SN: 71023-UP

2шт.

24

04434-51712

Clip

SN: 71023-UP

3шт.

25

04434-51412

Clip

SN: 71023-UP

2шт.

26

04434-51012

Clip

SN: 71023-UP

1шт.

27

01010-81016

Bolt

SN: 71023-UP

20шт.

28

01643-31032

Washer

SN: 71023-UP

20шт.

29

01010-81020

Bolt

SN: 71023-UP

2шт.

30

01643-31032

Washer

SN: 71023-UP

2шт.

31

01010-81025

Bolt

SN: 71023-UP

2шт.

32

01643-31032

Washer

SN: 71023-UP

2шт.

33

417-06-22410

Plate

SN: 71023-UP

1шт.

34

418-06-42450

Sheet

SN: 71023-UP

1шт.

35

01010-80616

Bolt

SN: 71023-UP

2шт.

36

01643-30623

Washer

SN: 71023-UP

2шт.

37

418-06-31610

Plate

SN: 71023-UP

2шт.

38

418-06-41640

Sheet

SN: 71023-UP

1шт.

39

07049-01012

Plug

SN: 71023-UP

1шт.

40

01010-80616

Bolt

SN: 71023-UP

4шт.

41

01643-30623

Washer

SN: 71023-UP

4шт.

Выбрано товаров: 48