Запчасти Komatsu WA200PZ-6 КАБИНА ROPS И ОСНОВН. КОНСТРУКЦИЯ ГРУППА, КАБИНА IN ЧАСТИ, ЗАДН. КРЫШКА (№7-) КАБИНА ROPS И ОСНОВН. КОНСТРУКЦИЯ ГРУППА

Схема запчастей Komatsu WA200PZ-6 - КАБИНА ROPS И ОСНОВН. КОНСТРУКЦИЯ ГРУППА, КАБИНА IN ЧАСТИ, ЗАДН. КРЫШКА (№7-) КАБИНА ROPS И ОСНОВН. КОНСТРУКЦИЯ ГРУППА
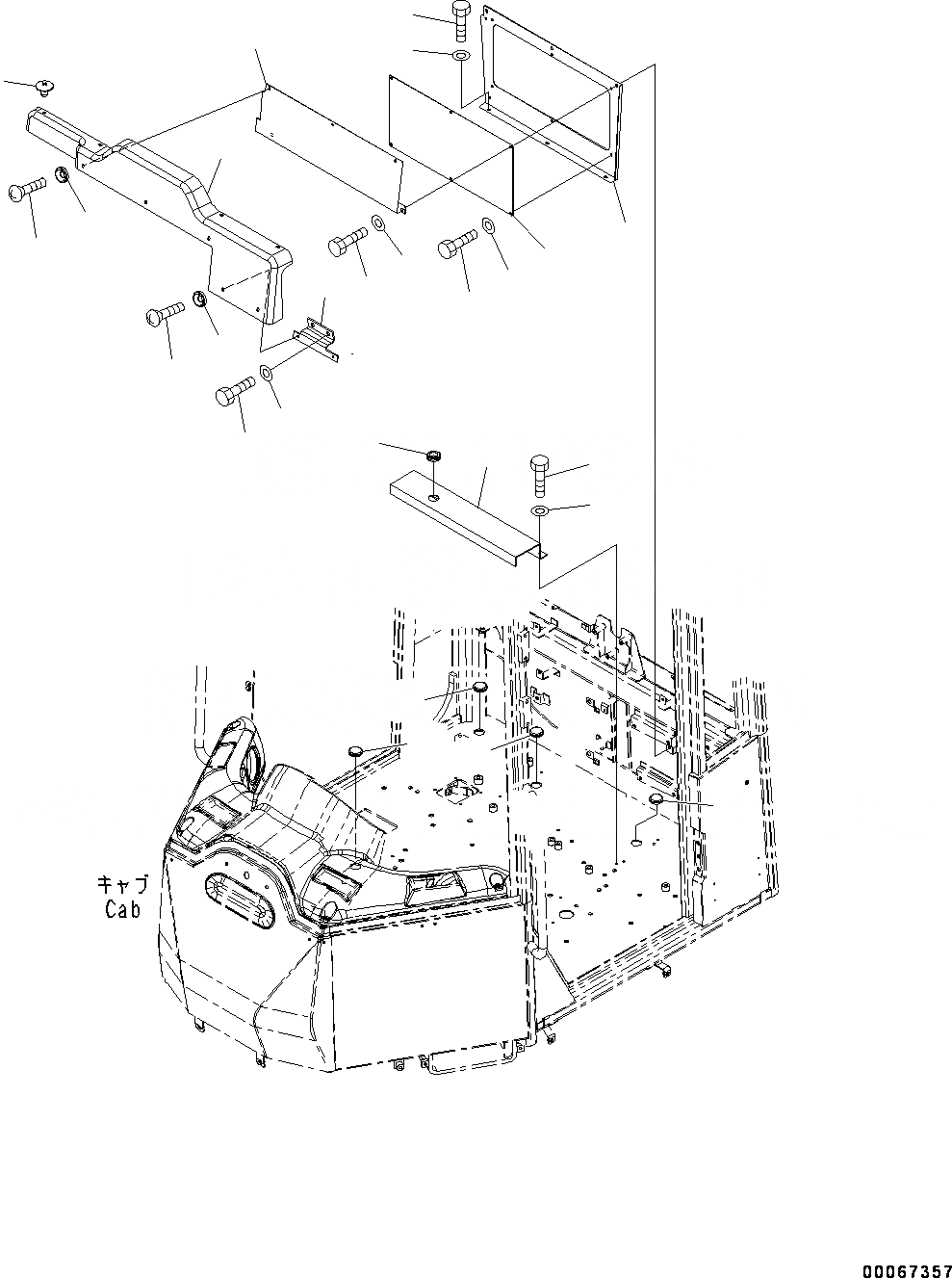
21
21
21
21
17
16
15
14
13
12
3
2
1
10
9
20
19
18
11
10
9
8
7
6
5
4
FIT
1:1
100%

Артикул

Название

Примечание

Количество

1

418-54-42160

Cover

SN: 71023-UP

1шт.

2

01010-D0616

Bolt

SN: 71023-UP

4шт.

3

01643-70623

Washer

SN: 71023-UP

4шт.

4

418-54-42210

Cover

SN: 71023-UP

1шт.

5

01010-D0616

Bolt

SN: 71023-UP

3шт.

6

01643-70623

Washer

SN: 71023-UP

3шт.

7

08037-02512

Grommet

SN: 71023-UP

1шт.

8

418-54-32725

Cover

SN: 71023-UP

1шт.

9

01225-70616

Screw, Philips Head

SN: 71023-UP

5шт.

10

418-926-3490

Washer

SN: 71023-UP

5шт.

11

23D-950-4450

Button

SN: 71023-UP

4шт.

12

418-54-42190

Cover

SN: 71023-UP

1шт.

13

01010-D0616

Bolt

SN: 71023-UP

2шт.

14

01643-70623

Washer

SN: 71023-UP

2шт.

15

418-54-42220

Plate

SN: 71023-UP

1шт.

16

01010-D0616

Bolt

SN: 71023-UP

6шт.

17

01643-70623

Washer

SN: 71023-UP

6шт.

18

418-54-42230

Bracket

SN: 71023-UP

1шт.

19

01010-81020

Bolt

SN: 71023-UP

2шт.

20

01643-31032

Washer

SN: 71023-UP

2шт.

21

09415-02512

Cap

SN: 71023-UP

6шт.

Выбрано товаров: 0