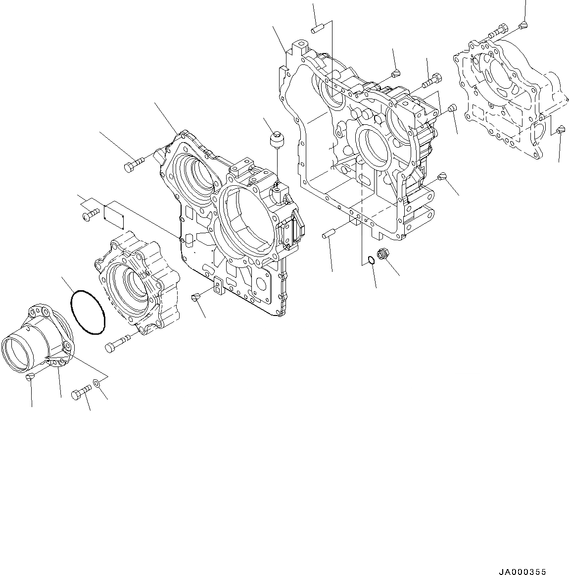
Запчасти Komatsu WA200PZ-6 ПЕРЕДАЧА (КОРПУС) F POWER TRANSMITTING СИСТЕМА

Схема запчастей Komatsu WA200PZ-6 - ПЕРЕДАЧА (КОРПУС) F POWER TRANSMITTING СИСТЕМА
14
15
2
14
5
14
14
8
13
14
10
3
1
4
7
6
4
3
9
12
11
FIT
1:1
100%

Артикул

Название

Примечание

Количество

|$1

417-17-31004

TRANSFER ASSEMBLY

SN: H00051-UP

1шт.

|$2

417-17-31104

CASE ASSEMBLY

SN: H00051-UP

1шт.

1

0

CASE, FRONT

SN: H00051-UP

1шт.

2

0

CASE, REAR

SN: H00051-UP

1шт.

3

01010-81235

BOLT

SN: H00051-UP

20шт.

4

04020-01228

PIN, DOWEL

SN: H00051-UP

2шт.

5

07043-A0211

PLUG

SN: H00051-UP

2шт.

6

07044-12412

PLUG

SN: H00051-UP

1шт.

7

07002-12434

O-RING

SN: H00051-UP

1шт.

8

07030-00252

BREATHER

SN: H00051-UP

1шт.

9

417-17-31131

CAGE

SN: H00051-UP

1шт.

10

01010-81235

BOLT

SN: H00051-UP

6шт.

11

01643-31232

WASHER

SN: H00051-UP

6шт.

12

07000-75130

O-RING

SN: H00051-UP

1шт.

13

0

PLATE, NAME, (LIMITED SUPPLY)

SN: H00051-UP

1шт.

|$16

04418-13060

SCREW

SN: H00051-UP

4шт.

14

07049-01215

PLUG

SN: H00051-UP

9шт.

15

07049-01620

PLUG

SN: H00051-UP

1шт.

Выбрано товаров: 18