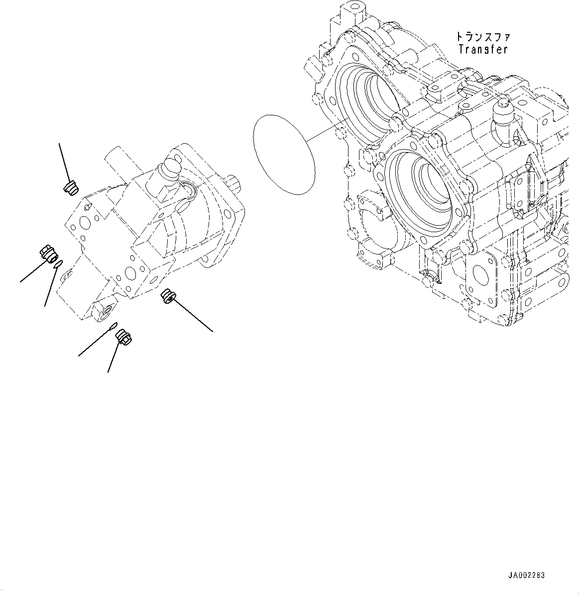
Запчасти Komatsu WA200PZ-6 HYDROSTATIC ТРАНСМИССИЯ (ВНУТР. ЧАСТИ) (МОТОР ) (КМ/Ч) (7/7) F POWER TRANSMITTING СИСТЕМА

Схема запчастей Komatsu WA200PZ-6 - HYDROSTATIC ТРАНСМИССИЯ (ВНУТР. ЧАСТИ) (МОТОР ) (КМ/Ч) (7/7) F POWER TRANSMITTING СИСТЕМА
1
1
2
4
5
3
FIT
1:1
100%

Артикул

Название

Примечание

Количество

|$1

417-18-31302

MOTOR

SN: H00051-UP

1шт.

1

418-18-41440

PLUG

SN: H00051-UP

2шт.

2

418-18-41450

O-RING

SN: H00051-UP

2шт.

3

418-18-41460

PLUG

SN: H00051-UP

2шт.

4

418-18-41470

O-RING

SN: H00051-UP

1шт.

5

418-18-41480

PLUG

SN: H00051-UP

1шт.

Выбрано товаров: 0