Запчасти Komatsu WA200PZ-6 ГИДРОЛИНИЯ (ОСНОВН. ТРУБЫ) F POWER TRANSMITTING СИСТЕМА

Схема запчастей Komatsu WA200PZ-6 - ГИДРОЛИНИЯ (ОСНОВН. ТРУБЫ) F POWER TRANSMITTING СИСТЕМА
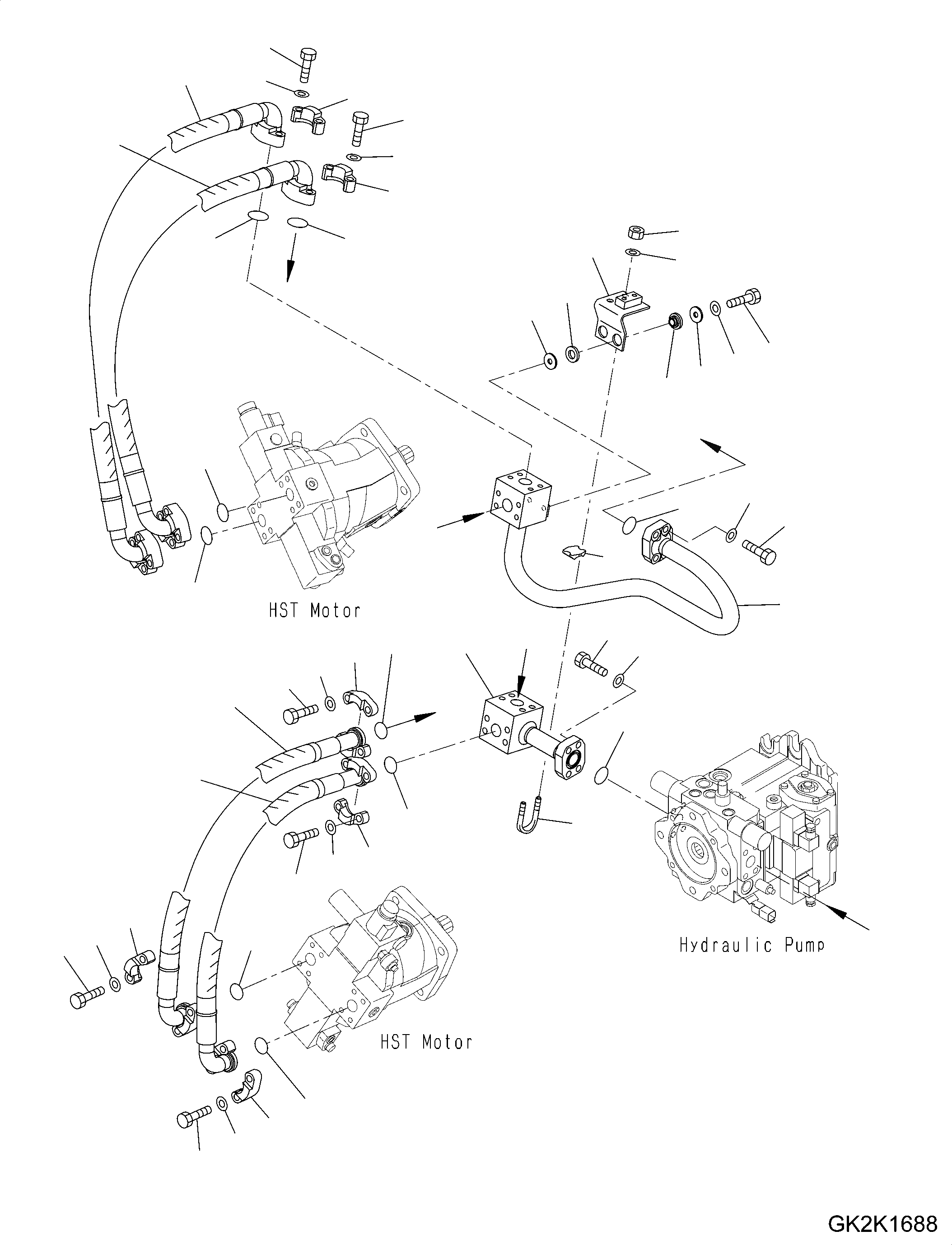
28
a
a
26
b
29
b
27
c
c
33
31
34
32
41
35
30
25
40
44
42
36
37
42
43
30
24
21
23
39
25
22
3
2
6
4
10
12
11
7
1
15
38
14
18
20
19
8
12
5
9
13
16
20
17
FIT
1:1
100%

Артикул

Название

Примечание

Количество

1

07000-13035

O-RING

SN: H00051-UP

1шт.

2

418-18-32160

TUBE

SN: H00051-UP

1шт.

3

01252-71240

BOLT

SN: H00051-UP

4шт.

4

01643-51232

WASHER

SN: H00051-UP

4шт.

5

415-18-21310

O-RING

SN: H00051-UP

1шт.

6

07000-13032

O-RING

SN: H00051-UP

1шт.

7

417-18-32250

HOSE

SN: H00051-UP

1шт.

8

415-18-11230

FLANGE, SPLIT

SN: H00051-UP

2шт.

9

20K-970-1150

BOLT

SN: H00051-UP

4шт.

10

209-62-64232

FLANGE

SN: H00051-UP

2шт.

11

01252-71240

BOLT

SN: H00051-UP

4шт.

12

01643-51232

WASHER

SN: H00051-UP

8шт.

13

415-18-21310

O-RING

SN: H00051-UP

1шт.

14

07000-13032

O-RING

SN: H00051-UP

1шт.

15

417-18-32260

HOSE

SN: H00051-UP

1шт.

16

415-18-11230

FLANGE, SPLIT

SN: H00051-UP

2шт.

17

20K-970-1150

BOLT

SN: H00051-UP

4шт.

18

209-62-64232

FLANGE

SN: H00051-UP

2шт.

19

01252-71240

BOLT

SN: H00051-UP

4шт.

20

01643-51232

WASHER

SN: H00051-UP

8шт.

21

07000-13035

O-RING

SN: H00051-UP

1шт.

22

417-18-42290

TUBE

SN: H00051-UP

1шт.

23

01252-71240

BOLT

SN: H00051-UP

4шт.

24

01643-51232

WASHER

SN: H00051-UP

4шт.

25

415-18-21310

O-RING

SN: H00051-UP

2шт.

26

417-18-32130

HOSE

SN: H00051-UP

1шт.

27

415-18-11230

FLANGE, SPLIT

SN: H00051-UP

4шт.

28

01252-71245

BOLT

SN: H00051-UP

8шт.

29

01643-51232

WASHER

SN: H00051-UP

8шт.

30

415-18-21310

O-RING

SN: H00051-UP

2шт.

31

417-18-32140

HOSE

SN: H00051-UP

1шт.

32

415-18-11230

FLANGE, SPLIT

SN: H00051-UP

4шт.

33

01252-71245

BOLT

SN: H00051-UP

8шт.

34

01643-51232

WASHER

SN: H00051-UP

8шт.

35

417-18-32320

PLATE

SN: H00051-UP

1шт.

36

01010-81035

BOLT

SN: H00051-UP

2шт.

37

01643-31032

WASHER

SN: H00051-UP

2шт.

38

07283-33450

CLIP

SN: H00051-UP

1шт.

39

07283-53444

SEAT

SN: H00051-UP

1шт.

40

01643-31032

WASHER

SN: H00051-UP

2шт.

41

01597-01009

NUT

SN: H00051-UP

2шт.

42

144-854-1890

WASHER

SN: H00051-UP

4шт.

43

421-62-18550

CUSHION

SN: H00051-UP

2шт.

44

421-62-23710

CUSHION

SN: H00051-UP

2шт.

Выбрано товаров: 44