Запчасти Komatsu WA200PZ-6 ПЕРЕДН. ПРИВОД COVER AA ДВИГАТЕЛЬ

Схема запчастей Komatsu WA200PZ-6 - ПЕРЕДН. ПРИВОД COVER AA ДВИГАТЕЛЬ
5
4
3
2
1
6
5
4
3
2
1
6
FIT
1:1
100%

Артикул

Название

Примечание

Количество

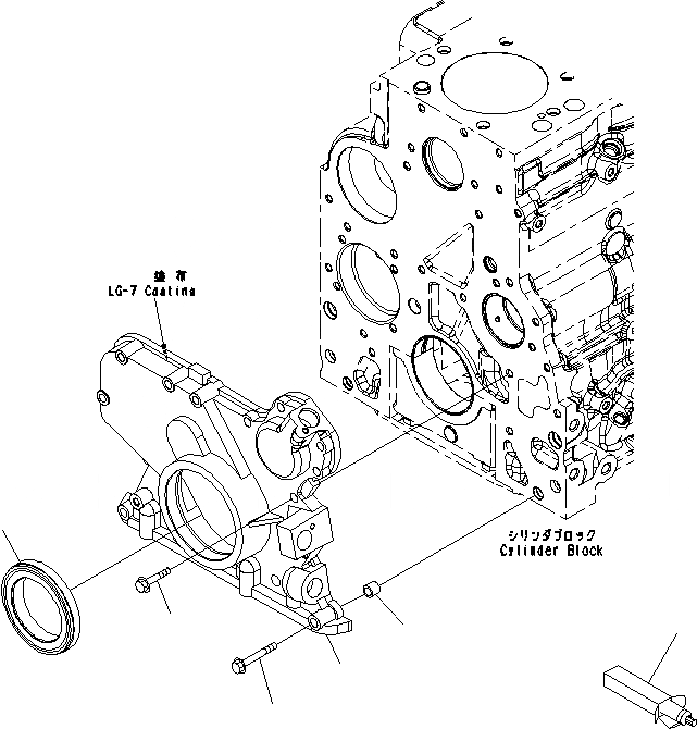
1

6754-21-6211

COVER, FRONT

SN: H00051-UP

1шт.

2

6754-21-6220

RING

SN: H00051-UP

2шт.

3

6735-61-2120

BOLT

SN: H00051-UP

6шт.

4

6732-21-6630

BOLT

SN: H00051-UP

7шт.

5

6754-21-6230

SEAL

SN: H00051-UP

1шт.

6

09920-00150

LIQUID GASKET, LG-7, 150G

SN: H00051-UP

-26шт.

1

6754-21-6211

COVER, FRONT

2

6754-21-6220

RING

3

6735-61-2120

BOLT

4

6732-21-6630

BOLT

5

6754-21-6230

SEAL

6

09920-00150

LIQUID GASKET, LG-7, 150G

Выбрано товаров: 0