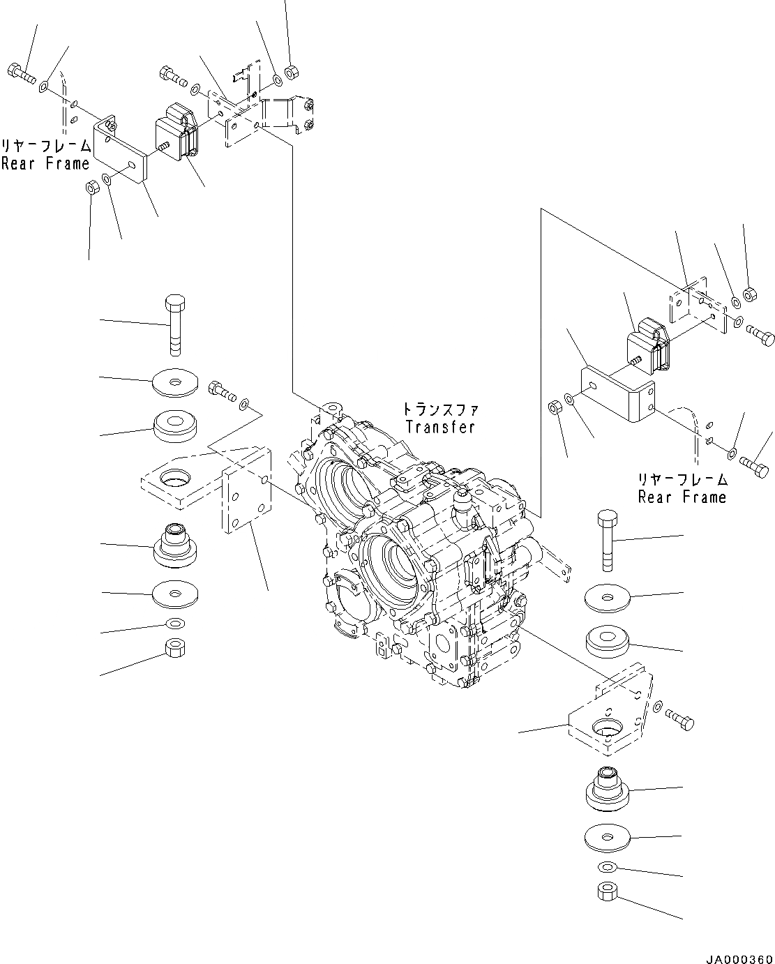
Запчасти Komatsu WA200PZ-6 КОРПУС ПЕРЕДАЧИ КРЕПЛЕНИЕS F POWER TRANSMITTING СИСТЕМА

Схема запчастей Komatsu WA200PZ-6 - КОРПУС ПЕРЕДАЧИ КРЕПЛЕНИЕS F POWER TRANSMITTING СИСТЕМА
10
9
8
11
6
9
5
4
3
2
2
1
1
7
8
9
10
11
12
2
10
7
3
6
2
4
5
12
10
9
13
14
16
15
FIT
1:1
100%

Артикул

Название

Примечание

Количество

1

418-14-31133

PLATE

SN: H00051-UP

2шт.

2

418-01-11112

CUSHION ASSEMBLY

SN: H00051-UP

2шт.

|$3

418-01-11121

CUSHION

SN: H00051-UP

1шт.

|$4

418-01-11131

CUSHION

SN: H00051-UP

1шт.

3

419-01-11162

WASHER

SN: H00051-UP

2шт.

4

01011-62220

BOLT

SN: H00051-UP

2шт.

5

419-01-11162

WASHER

SN: H00051-UP

2шт.

6

01580-02218

NUT

SN: H00051-UP

2шт.

7

01643-32260

WASHER

SN: H00051-UP

2шт.

8

20S-01-71331

CUSHION

SN: H00051-UP

2шт.

9

01580-11008

NUT

SN: H00051-UP

4шт.

10

01643-31032

WASHER

SN: H00051-UP

4шт.

11

01010-81035

BOLT

SN: H00051-UP

4шт.

12

01643-31032

WASHER

SN: H00051-UP

4шт.

13

418-14-31113

BRACKET, LHS

-1шт.

14

418-14-31143

BRACKET, RHS

-1шт.

15

418-14-31152

BRACKET

-1шт.

16

418-14-41121

BRACKET

-1шт.

Выбрано товаров: 18