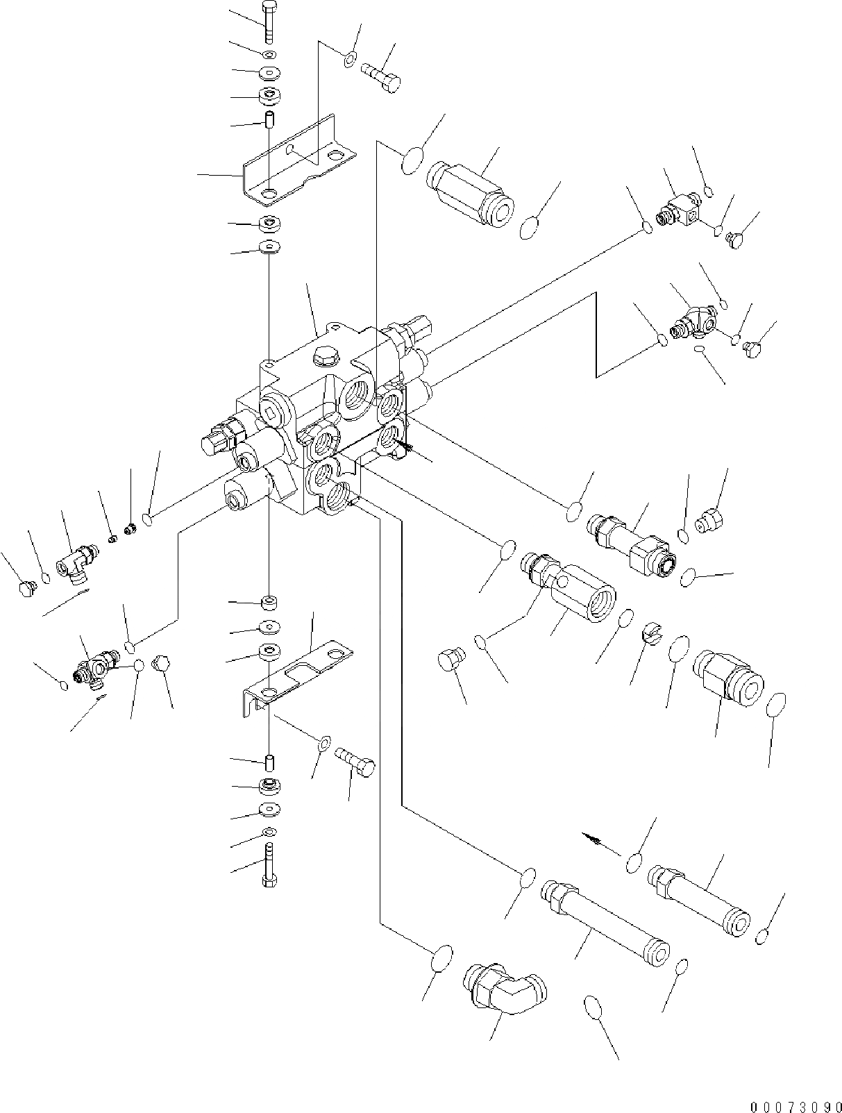
Запчасти Komatsu WA200PZ-6 ГИДРАВЛ УПРАВЛЯЮЩ. КЛАПАН (2-Х СЕКЦИОНН. КЛАПАН) (КОМПОНЕНТЫ) H ГИДРАВЛИКА

Схема запчастей Komatsu WA200PZ-6 - ГИДРАВЛ УПРАВЛЯЮЩ. КЛАПАН (2-Х СЕКЦИОНН. КЛАПАН) (КОМПОНЕНТЫ) H ГИДРАВЛИКА
24
33
35
34
34
35
32
30
31
32
42
43
15
16
17
47
45
46
44
37
36
38
43
42
20
18
21
21
41
19
20
39
40
a
a
29
31
22
23
8
9
3
4
13
10
12
2
11
13
1
31
28
27
26
35
34
33
32
32
25
31
35
34
14
13
11
5
8
9
12
10
13
7
6
FIT
1:1
100%

Артикул

Название

Примечание

Количество

1

709-82-13300

CONTROL VALVE

SN: H00051-UP

1шт.

2

417-64-31120

BRACKET

SN: H00051-UP

1шт.

3

01010-81050

BOLT

SN: H00051-UP

2шт.

4

01643-31032

WASHER

SN: H00051-UP

2шт.

5

417-64-31110

BRACKET

SN: H00051-UP

1шт.

6

01010-81060

BOLT

SN: H00051-UP

2шт.

7

01643-31032

WASHER

SN: H00051-UP

2шт.

8

01010-81235

BOLT

SN: H00051-UP

3шт.

9

01643-31232

WASHER

SN: H00051-UP

3шт.

10

419-43-17930

CUSHION

SN: H00051-UP

4шт.

11

415-64-13130

CUSHION

SN: H00051-UP

4шт.

12

417-54-13470

SPACER

SN: H00051-UP

4шт.

13

415-64-13120

WASHER

SN: H00051-UP

8шт.

14

198-43-15310

COLLAR, 10MM

SN: H00051-UP

2шт.

15

418-U77-4351

UNION

SN: H00051-UP

1шт.

16

07002-12434

O-RING

SN: H00051-UP

1шт.

17

02896-11018

O-RING

SN: H00051-UP

1шт.

18

418-U77-4331

UNION

SN: H00051-UP

1шт.

19

418-U77-4321

UNION

SN: H00051-UP

1шт.

20

07002-12434

O-RING

SN: H00051-UP

2шт.

21

02896-11018

O-RING

SN: H00051-UP

2шт.

22

209-64-16320

UNION

SN: H00051-UP

1шт.

23

07002-13334

O-RING

SN: H00051-UP

1шт.

24

11Y-62-11980

O-RING

SN: H00051-UP

1шт.

25

418-62-34450

TEE

SN: H00051-UP

1шт.

|$26

418-62-34421

VALVE ASSEMBLY

SN: H00051-UP

1шт.

26

418-62-34490

ELBOW

SN: H00051-UP

1шт.

27

418-62-34440

POPPET

SN: H00051-UP

1шт.

28

21Y-62-11591

PLUG

SN: H00051-UP

1шт.

29

418-62-34470

TEE

SN: H00051-UP

1шт.

30

418-62-34460

TEE

SN: H00051-UP

1шт.

31

07002-11423

O-RING

SN: H00051-UP

4шт.

32

02896-11008

O-RING

SN: H00051-UP

4шт.

33

02896-11009

O-RING

SN: H00051-UP

2шт.

34

07040-11007

PLUG

SN: H00051-UP

4шт.

35

07002-11023

O-RING

SN: H00051-UP

4шт.

36

418-U77-4341

UNION

SN: H00051-UP

1шт.

37

02896-11018

O-RING

SN: H00051-UP

1шт.

38

07002-12434

O-RING

SN: H00051-UP

1шт.

39

21W-62-42640

ELBOW

SN: H00051-UP

1шт.

40

07002-13334

O-RING

SN: H00051-UP

1шт.

41

11Y-62-11980

O-RING

SN: H00051-UP

1шт.

42

07040-11409

PLUG

SN: H00051-UP

2шт.

43

07002-11423

O-RING

SN: H00051-UP

2шт.

44

417-T90-4281

VENT

SN: H00051-UP

1шт.

45

416-62-33310

UNION

SN: H00051-UP

1шт.

46

07002-13034

O-RING

SN: H00051-UP

1шт.

47

02896-11018

O-RING

SN: H00051-UP

1шт.

Выбрано товаров: 48