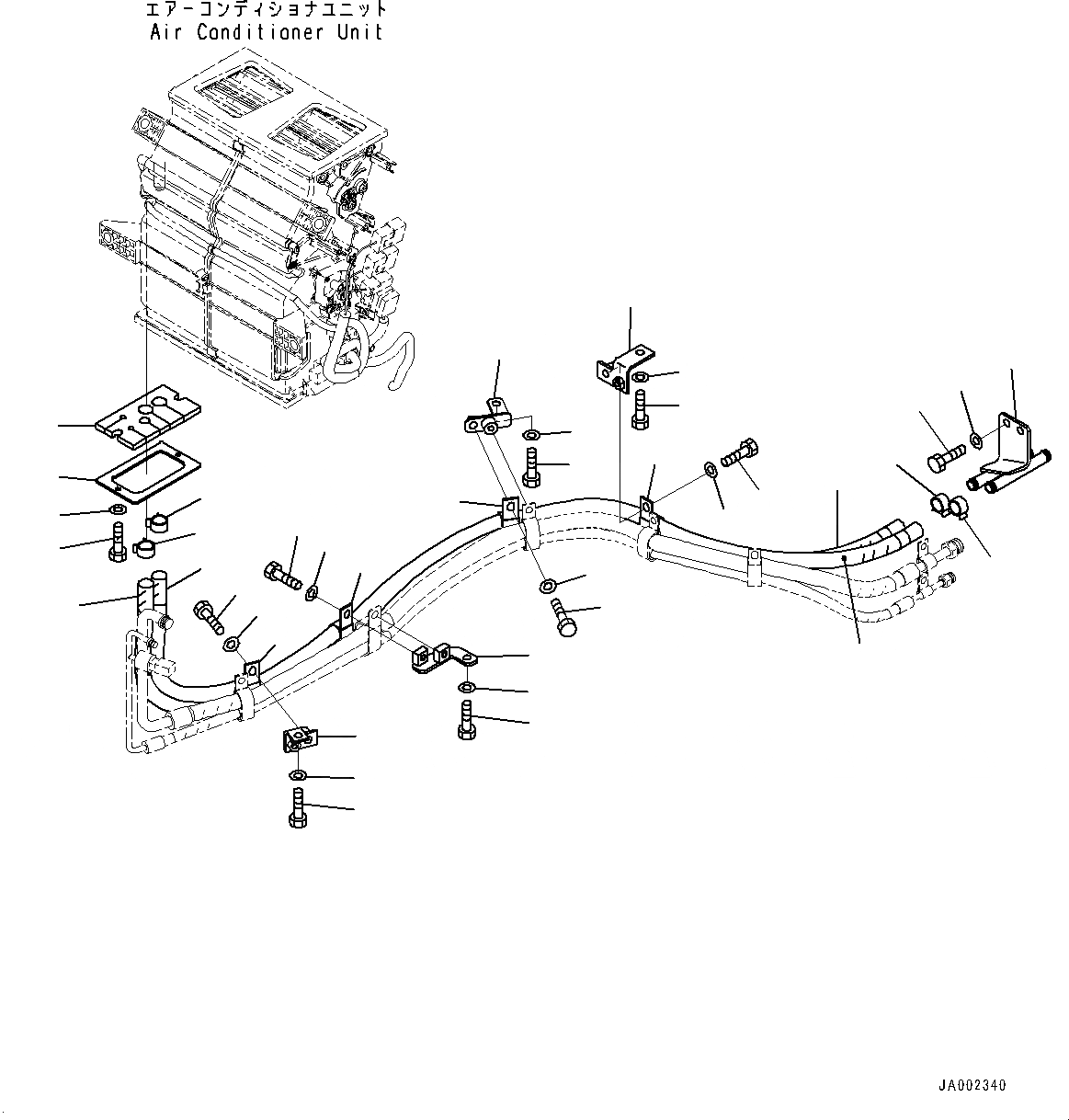
Запчасти Komatsu WA200PZ-6 КАБИНА ROPS И ОСНОВН. КОНСТРУКЦИЯ ГРУППА (ПОЛ) (ШЛАНГИ ОБОГРЕВАТЕЛЯ) K OPERATORґS ОБСТАНОВКА И СИСТЕМА УПРАВЛЕНИЯ

Схема запчастей Komatsu WA200PZ-6 - КАБИНА ROPS И ОСНОВН. КОНСТРУКЦИЯ ГРУППА (ПОЛ) (ШЛАНГИ ОБОГРЕВАТЕЛЯ) K OPERATORґS ОБСТАНОВКА И СИСТЕМА УПРАВЛЕНИЯ
21
20
19
18
17
16
15
14
13
12
11
9
10
8
7
6
5
4
25
3
2
1
26
1
2
3
4
5
6
7
6
7
5
6
5
7
24
23
22
FIT
1:1
100%

Артикул

Название

Примечание

Количество

1

418-07-45110

HOSE

SN: H00051-UP

1шт.

2

09479-02400

CLAMP

SN: H00051-UP

2шт.

3

418-07-45120

HOSE

SN: H00051-UP

1шт.

4

09479-02400

CLAMP

SN: H00051-UP

2шт.

5

421-07-11550

CLIP

SN: H00051-UP

4шт.

6

01010-81020

BOLT

SN: H00051-UP

4шт.

7

01643-31032

WASHER

SN: H00051-UP

4шт.

8

418-07-41770

BRACKET

SN: H00051-UP

1шт.

9

01010-81025

BOLT

SN: H00051-UP

1шт.

10

01643-31032

WASHER

SN: H00051-UP

1шт.

11

01010-81020

BOLT

SN: H00051-UP

1шт.

12

01643-31032

WASHER

SN: H00051-UP

1шт.

13

418-07-45161

BRACKET

SN: H00051-UP

1шт.

14

01010-81020

BOLT

SN: H00051-UP

2шт.

15

01643-31032

WASHER

SN: H00051-UP

2шт.

16

418-07-41720

SHEET

SN: H00051-UP

1шт.

17

418-07-41710

PLATE

SN: H00051-UP

1шт.

18

01010-80616

BOLT

SN: H00051-UP

2шт.

19

01643-30623

WASHER

SN: H00051-UP

2шт.

20

418-07-41760

BRACKET

SN: H00051-UP

1шт.

21

01010-81020

BOLT

SN: H00051-UP

1шт.

22

01643-31032

WASHER

SN: H00051-UP

1шт.

23

418-07-41740

BRACKET

SN: H00051-UP

1шт.

24

01010-81020

BOLT

SN: H00051-UP

1шт.

25

01643-31032

WASHER

SN: H00051-UP

1шт.

26

418-07-41750

BRACKET

SN: H00051-UP

1шт.

Выбрано товаров: 26