Запчасти Komatsu WA200PZ-6 КОВШ ПОЗИЦИОНЕР K OPERATORґS ОБСТАНОВКА И СИСТЕМА УПРАВЛЕНИЯ

Схема запчастей Komatsu WA200PZ-6 - КОВШ ПОЗИЦИОНЕР K OPERATORґS ОБСТАНОВКА И СИСТЕМА УПРАВЛЕНИЯ
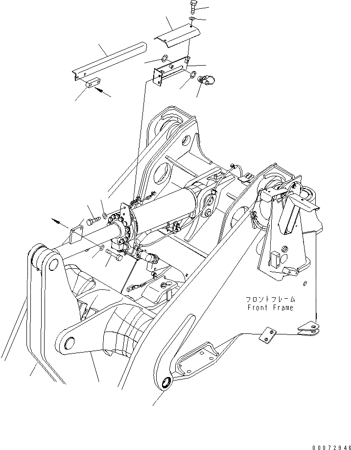
12
9
2
6
8
7
5
4
2
1
3
11
10
a
a
FIT
1:1
100%

Артикул

Название

Примечание

Количество

1

56B-06-15610

SWITCH

SN: H00051-UP

1шт.

2

418-U77-3650

WASHER

SN: H00051-UP

2шт.

3

417-U77-4410

BRACKET

SN: H00051-UP

1шт.

4

01010-81230

BOLT

SN: H00051-UP

2шт.

5

01643-31232

WASHER

SN: H00051-UP

2шт.

6

418-U77-4480

PLATE

SN: H00051-UP

1шт.

7

01010-81020

BOLT

SN: H00051-UP

2шт.

8

01643-31032

WASHER

SN: H00051-UP

2шт.

9

417-U77-4423

PLATE

SN: H00051-UP

1шт.

10

01010-81270

BOLT

SN: H00051-UP

2шт.

11

01643-31232

WASHER

SN: H00051-UP

2шт.

12

417-U77-4442

BLOCK

SN: H00051-UP

1шт.

Выбрано товаров: 12