Запчасти Komatsu WA200PZ-6 ТОПЛИВН. ВПРЫСК AA ДВИГАТЕЛЬ

Схема запчастей Komatsu WA200PZ-6 - ТОПЛИВН. ВПРЫСК AA ДВИГАТЕЛЬ
3
4
5
2
1
3
4
5
2
1
FIT
1:1
100%

Артикул

Название

Примечание

Количество

|$1

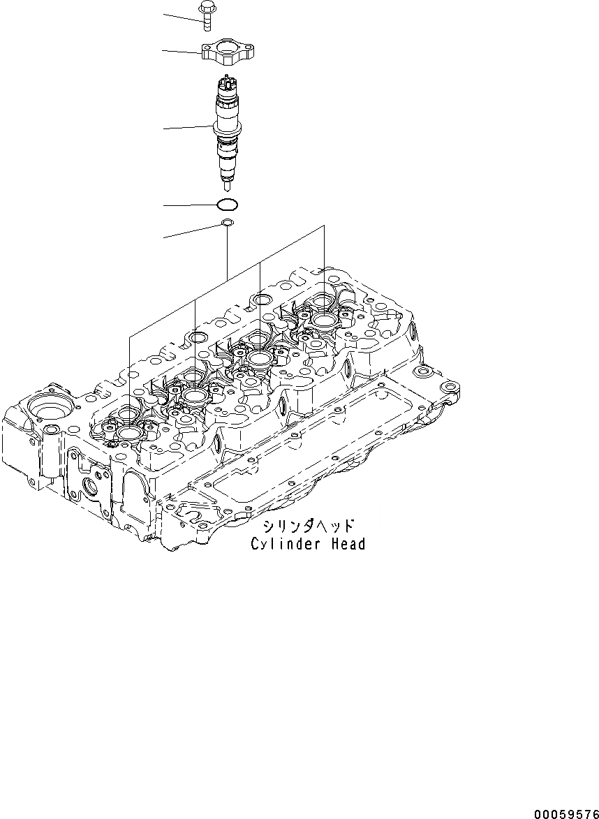
6754-11-3011

INJECTOR ASSEMBLY

SN: H00051-UP

4шт.

1

0

CLAMP

SN: H00051-UP

1шт.

2

0

INJECTOR

SN: H00051-UP

1шт.

3

6754-11-3130

GASKET

SN: H00051-UP

1шт.

4

6754-11-3140

O-RING

SN: H00051-UP

1шт.

5

6742-01-2630

BOLT

SN: H00051-UP

8шт.

|$1

6754-11-3011

INJECTOR ASSEMBLY

1

CLAMP

2

INJECTOR

3

6754-11-3130

GASKET

4

6754-11-3140

O-RING

5

6742-01-2630

BOLT

Выбрано товаров: 12