Запчасти Komatsu WA200PZ-6 ГЕНЕРАТОР КРЕПЛЕНИЕS (AMP.) AA ДВИГАТЕЛЬ

Схема запчастей Komatsu WA200PZ-6 - ГЕНЕРАТОР КРЕПЛЕНИЕS (AMP.) AA ДВИГАТЕЛЬ
4
7
8
3
4
2
6
5
1
4
7
8
3
4
2
6
5
1
FIT
1:1
100%

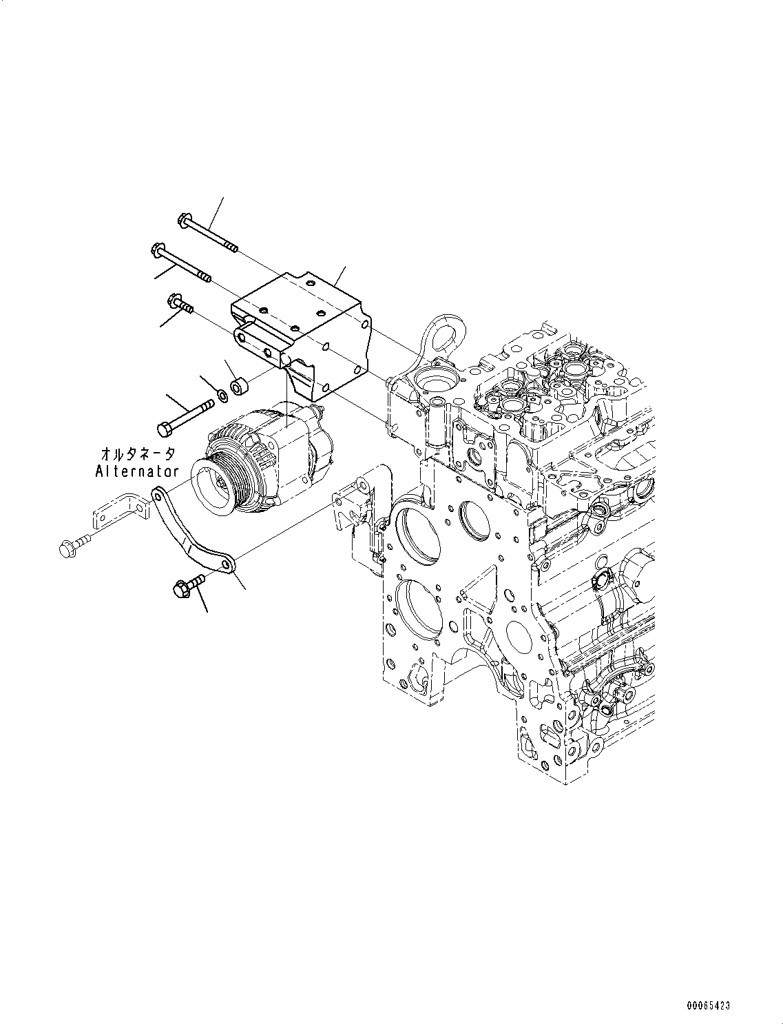
Артикул

Название

Примечание

Количество

|$1

6751-81-6510

SUPPORT ASSEMBLY

SN: H00051-UP

1шт.

1

6751-81-6520

SUPPORT

SN: H00051-UP

1шт.

2

6732-81-6630

SPACER

SN: H00051-UP

1шт.

3

6745-81-9410

BOLT

SN: H00051-UP

2шт.

4

6732-61-4120

BOLT

SN: H00051-UP

2шт.

5

01018-31095

BOLT

SN: H00051-UP

1шт.

6

01641-01016

WASHER

SN: H00051-UP

1шт.

7

6754-81-6130

BRACKET

SN: H00051-UP

1шт.

8

6735-71-3220

BOLT

SN: H00051-UP

1шт.

|$1

6751-81-6510

SUPPORT ASSEMBLY

1

6751-81-6520

SUPPORT

2

6732-81-6630

SPACER

3

6745-81-9410

BOLT

4

6732-61-4120

BOLT

5

01018-31095

BOLT

6

01641-01016

WASHER

7

6754-81-6130

BRACKET

8

6735-71-3220

BOLT

Выбрано товаров: 18