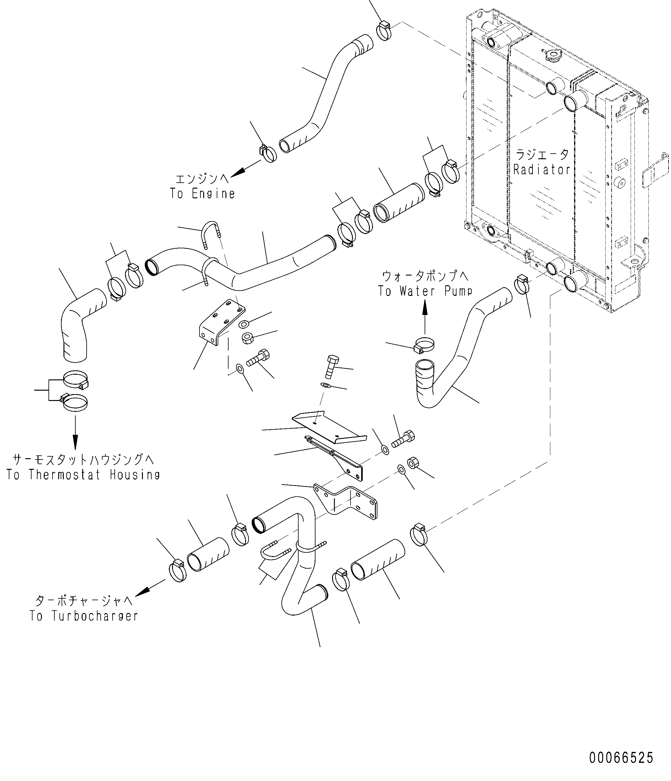
Запчасти Komatsu WA200PZ-6 ХЛАДАГЕНТ ТРУБЫ C СИСТЕМА ОХЛАЖДЕНИЯ

Схема запчастей Komatsu WA200PZ-6 - ХЛАДАГЕНТ ТРУБЫ C СИСТЕМА ОХЛАЖДЕНИЯ
4
3
5
11
10
11
6
25
8
7
25
26
2
24
2
22
27
28
9
23
29
18
1
19
21
20
16
17
24
26
15
16
13
25
12
13
14
FIT
1:1
100%

Артикул

Название

Примечание

Количество

1

417-03-48150

HOSE

SN: H00051-UP

1шт.

2

07289-00070

CLAMP

SN: H00051-UP

2шт.

3

417-03-48160

HOSE

SN: H00051-UP

1шт.

4

07289-00070

CLAMP

SN: H00051-UP

1шт.

5

07289-00055

CLAMP

SN: H00051-UP

1шт.

6

417-03-48171

PIPE

SN: H00051-UP

1шт.

7

417-03-44190

HOSE

SN: H00051-UP

1шт.

8

07289-00070

CLAMP

SN: H00051-UP

2шт.

9

07289-00080

CLAMP

SN: H00051-UP

2шт.

10

417-03-44170

HOSE

SN: H00051-UP

1шт.

11

07289-00070

CLAMP

SN: H00051-UP

4шт.

12

418-03-32250

HOSE

SN: H00051-UP

1шт.

13

07299-00070

CLAMP

SN: H00051-UP

2шт.

14

417-03-48180

PIPE

SN: H00051-UP

1шт.

15

418-03-32180

HOSE

SN: H00051-UP

1шт.

16

07299-00070

CLAMP

SN: H00051-UP

2шт.

17

417-03-44110

BRACKET

SN: H00051-UP

1шт.

18

01010-81235

BOLT

SN: H00051-UP

2шт.

19

01643-31232

WASHER

SN: H00051-UP

2шт.

20

417-03-41630

BRACKET

SN: H00051-UP

1шт.

21

417-03-41640

PLATE

SN: H00051-UP

1шт.

22

01010-81020

BOLT

SN: H00051-UP

2шт.

23

01643-31032

WASHER

SN: H00051-UP

2шт.

24

01597-01009

NUT

SN: H00051-UP

8шт.

25

07283-36365

CLIP

SN: H00051-UP

4шт.

26

01643-31032

WASHER

SN: H00051-UP

8шт.

27

417-03-44120

BRACKET

SN: H00051-UP

1шт.

28

01010-81230

BOLT

SN: H00051-UP

2шт.

29

01643-31232

WASHER

SN: H00051-UP

2шт.

Выбрано товаров: 29