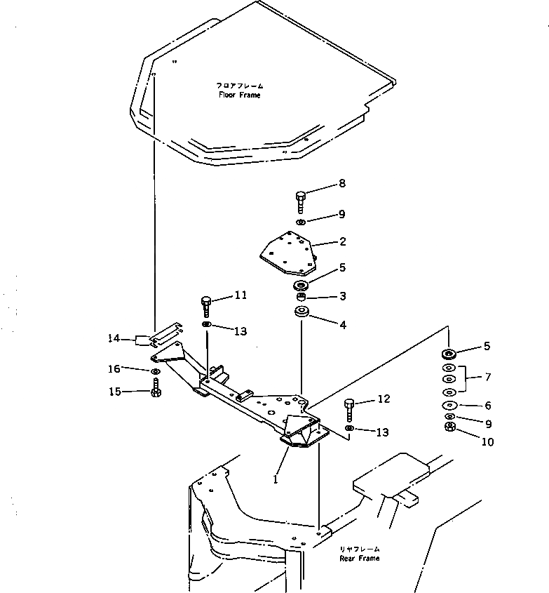
Запчасти Komatsu WA250-1 СУППОРТЫ КАБИНЫ(ДЛЯ CLUSTER GAUGE ТИП) РАМА И ЧАСТИ КОРПУСА

Схема запчастей Komatsu WA250-1 - СУППОРТЫ КАБИНЫ(ДЛЯ CLUSTER GAUGE ТИП) РАМА И ЧАСТИ КОРПУСА
FIT
1:1
100%

Артикул

Название

Примечание

Количество

1

418-54-13311

SUPPORT,FLOOR

SN: 10001-UP

1шт.

2

418-54-13320

PLATE

SN: 10001-UP

1шт.

3

418-54-13180

COLLAR

SN: 10001-UP

3шт.

4

418-54-12610

CUSHION

SN: 10574-UP

3шт.

4

0

CUSHION

SN: 10001-10573

3шт.

5

418-54-12620

CUSHION

SN: 10574-UP

6шт.

5

0

CUSHION

SN: 10001-10573

6шт.

6

418-54-13220

WASHER

SN: 10001-UP

3шт.

7

418-54-13190

SHIM, 0.5MM

SN: 10001-UP

9шт.

8

01010-51255

BOLT

SN: 10001-UP

3шт.

9

01643-31232

WASHER

SN: 10001-UP

6шт.

10

01580-11210

NUT

SN: 10001-UP

3шт.

11

01010-51445

BOLT

SN: 10001-UP

4шт.

12

01010-51475

BOLT

SN: 10001-UP

3шт.

13

01643-31445

WASHER

SN: 10001-UP

7шт.

14

419-54-12840

SHIM, 1.0MM

SN: 10001-UP

8шт.

15

01010-51430

BOLT

SN: 10001-UP

4шт.

16

01643-31445

WASHER

SN: 10001-UP

4шт.

Выбрано товаров: 18