Запчасти Komatsu WA250-1 ПАНЕЛЬ ПРИБОРОВ (ДЛЯ CLUSTER GAUGE) КОМПОНЕНТЫ ДВИГАТЕЛЯ И ЭЛЕКТРИКА

Схема запчастей Komatsu WA250-1 - ПАНЕЛЬ ПРИБОРОВ (ДЛЯ CLUSTER GAUGE) КОМПОНЕНТЫ ДВИГАТЕЛЯ И ЭЛЕКТРИКА
FIT
1:1
100%

Артикул

Название

Примечание

Количество

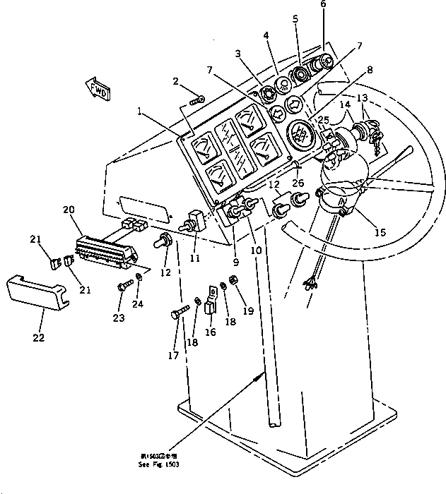
1

417-06-15112

GAUGE CLUSTER

SN: 10188-UP

1шт.

1

0

GAUGE CLUSTER

SN: 10001-10187

1шт.

1

417-06-15330

GAUGE,WATER TEMPERATURE

SN: 10001-UP

1шт.

1

417-06-15340

GAUGE,OIL TEMPERATURE

SN: 10001-UP

1шт.

1

417-06-15350

GAUGE,FUEL LEVEL

SN: 10001-UP

1шт.

1

417-06-15360

GAUGE,VOLT

SN: 10001-UP

1шт.

1

417-06-15390

PLATE, CAUTION

SN: 10001-UP

1шт.

1

08102-02403

BULB, 3W

SN: 10001-UP

8шт.

1

417-06-15380

SOCKET

SN: 10001-UP

8шт.

1

417-06-15310

PANEL

SN: 10001-UP

1шт.

1

417-06-15320

GASKET,PANEL

SN: 10001-UP

1шт.

2

01224-40520

SCREW

SN: 10001-UP

4шт.

3

41A-06-15120

LAMP,TRANSMISSION CUT OFF

SN: 10001-UP

1шт.

3

08111-02430

BULB, 3W

SN: 10001-UP

1шт.

3

08021-00400

CONNECTOR

SN: 10001-UP

1шт.

4

417-06-15221

LAMP,WORK

SN: 10001-UP

1шт.

4

08111-02430

BULB, 3W

SN: 10001-UP

1шт.

4

08021-00400

CONNECTOR

SN: 10001-UP

1шт.

5

600-815-2371

SIGNAL,HEATER

SN: 10001-UP

1шт.

6

08061-60010

SWITCH,LAMP

SN: 10001-UP

1шт.

7

566-06-17150

LAMP,INDICATOR

SN: 10001-UP

1шт.

8

417-06-15120

METER,SERVICE

SN: 10001-UP

1шт.

8

7815-11-1010

BULB, 1.4W

SN: 10001-UP

1шт.

9

08501-22501

SWITCH,TRANSMISSION CUT OFF

SN: 10001-UP

1шт.

10

08501-21508

SWITCH,WORK LAMP

SN: 10001-UP

1шт.

11

08501-22501

SWITCH,PARKING

SN: 10001-UP

1шт.

12

08504-10000

CAP

SN: 10001-UP

3шт.

13

08086-20000

SWITCH,STARTING

SN: 10001-UP

1шт.

14

426-43-18850

SHIM, 1.0MM

SN: 10001-UP

1шт.

15

417-06-11260

SWITCH,TURN SIGNAL

SN: 10001-UP

1шт.

16

22W-06-13251

FLASHER

SN: 10001-UP

1шт.

17

01010-50630

BOLT

SN: 10001-UP

1шт.

18

01643-30623

WASHER

SN: 10001-UP

2шт.

19

01580-10605

NUT

SN: 10001-UP

1шт.

20

41A-06-12151

BOX

SN: 10001-UP

1шт.

21

283-06-16190

FUSE, 10A

SN: 10001-UP

5шт.

21

22W-06-13160

FUSE, 20A

SN: 10001-UP

3шт.

22

283-06-16120

COVER

SN: 10001-UP

1шт.

23

01220-40620

SCREW

SN: 10001-UP

2шт.

24

01641-20608

WASHER

SN: 10001-UP

2шт.

25

08603-40020

CABLE

SN: 10001-UP

4шт.

26

08034-20519

BAND

SN: .-UP

1шт.

26

08034-00414

BAND

SN: 10001-.

1шт.

Выбрано товаров: 43