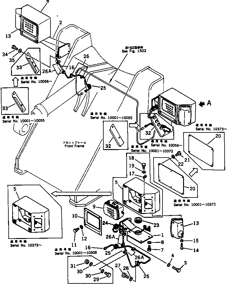
Запчасти Komatsu WA250-1 ЭЛЕКТРИКА (ПЕРЕДН. ОСВЕЩЕНИЕ) (ДЛЯ CLUSTER GAUGE) КОМПОНЕНТЫ ДВИГАТЕЛЯ И ЭЛЕКТРИКА

Схема запчастей Komatsu WA250-1 - ЭЛЕКТРИКА (ПЕРЕДН. ОСВЕЩЕНИЕ) (ДЛЯ CLUSTER GAUGE) КОМПОНЕНТЫ ДВИГАТЕЛЯ И ЭЛЕКТРИКА
FIT
1:1
100%

Артикул

Название

Примечание

Количество

1

418-06-13210

SUPPORT,L.H.

SN: 10001-UP

1шт.

2

418-06-13220

SUPPORT,R.H.

SN: 10001-UP

1шт.

3

01010-51225

BOLT

SN: 10001-UP

6шт.

4

01643-31232

WASHER

SN: 10001-UP

6шт.

5

419-06-13221

BRACKET,L.H.

SN: 10373-UP

1шт.

5

419-06-13220

BRACKET,L.H.

SN: 10001-10372

1шт.

6

419-06-13231

BRACKET,R.H.

SN: 10373-UP

1шт.

6

419-06-13230

BRACKET,R.H.

SN: 10001-10372

1шт.

7

01010-51225

BOLT

SN: 10001-UP

6шт.

8

01643-31232

WASHER

SN: 10001-UP

6шт.

9

421-06-13102

LAMP ASS'Y

SN: 10001-UP

2шт.

9

421-06-13110

BULB, 85/65W

SN: 10001-UP

1шт.

9

421-06-13120

CUSHION

SN: 10001-UP

4шт.

10

419-06-13250

COVER

SN: 10001-UP

2шт.

11

01010-50610

BOLT

SN: 10001-UP

8шт.

12

01643-30623

WASHER

SN: 10001-UP

8шт.

13

421-06-13301

LAMP ASS'Y,L.H.

SN: 10001-UP

1шт.

13

421-06-13401

LAMP ASS'Y,R.H.

SN: 10001-UP

1шт.

13

22W-06-12310

LENS,L.H.

SN: 10001-UP

1шт.

13

22W-06-12320

LENS,R.H.

SN: 10001-UP

1шт.

13

421-06-13310

BULB, 10/4W

SN: 10001-UP

1шт.

13

08105-12420

BULB, 25W

SN: 10001-UP

2шт.

13

01220-50450

SCREW

SN: 10001-UP

2шт.

13

01220-50416

SCREW

SN: 10001-UP

2шт.

13

01641-40405

WASHER

SN: 10001-UP

4шт.

14

01220-40516

SCREW

SN: 10001-UP

8шт.

15

01601-20513

WASHER,SPRING

SN: 10001-UP

8шт.

16

419-06-12262

WIRE ASS'Y

SN: 10001-UP

2шт.

17

08036-11214

CLIP

SN: 10001-10372

2шт.

18

01010-51016

BOLT

SN: 10001-10372

2шт.

19

01643-31032

WASHER

SN: 10001-10372

2шт.

20

419-06-13241

COVER

SN: 10373-UP

2шт.

20

419-06-13240

COVER

SN: 10001-10372

2шт.

21

01010-50610

BOLT

SN: 10373-UP

8шт.

21

01010-50610

BOLT

SN: 10001-10372

12шт.

22

01643-30623

WASHER

SN: 10373-UP

8шт.

22

01643-30623

WASHER

SN: 10001-10372

12шт.

23

08037-03614

GROMMET

SN: 10001-UP

2шт.

24

08037-02512

GROMMET

SN: 10001-UP

2шт.

25

08037-03620

GROMMET

SN: 10001-UP

2шт.

26

424-06-12720

CLIP

SN: 10001-UP

4шт.

26A

08036-01414

CLIP

SN: 10001-UP

6шт.

27

01010-51016

BOLT

SN: 10001-UP

4шт.

28

01643-31032

WASHER

SN: 10001-UP

4шт.

29

01010-51025

BOLT

SN: 10001-10308

4шт.

30

01643-31032

WASHER

SN: 10001-10308

8шт.

31

01580-11008

NUT

SN: 10001-10308

4шт.

32

418-54-14611

PLATE,L.H.

SN: 10056-UP

1шт.

32

418-54-14610

PLATE,L.H.

SN: 10001-10055

1шт.

33

418-54-14621

PLATE,R.H.

SN: 10056-UP

1шт.

33

418-54-14620

PLATE,R.H.

SN: 10001-10055

1шт.

34

01010-51225

BOLT

SN: 10056-UP

8шт.

34

01010-51225

BOLT

SN: 10001-10055

4шт.

35

01643-31232

WASHER

SN: 10056-UP

8шт.

35

01643-31232

WASHER

SN: 10001-10055

4шт.

Выбрано товаров: 55