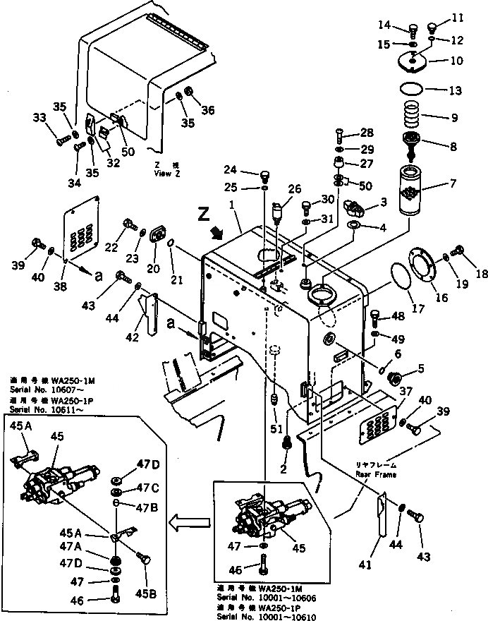
Запчасти Komatsu WA250-1 ГИДР. БАК. УПРАВЛ-Е РАБОЧИМ ОБОРУДОВАНИЕМ

Схема запчастей Komatsu WA250-1 - ГИДР. БАК. УПРАВЛ-Е РАБОЧИМ ОБОРУДОВАНИЕМ
FIT
1:1
100%

Артикул

Название

Примечание

Количество

1

418-60-15410

TANK

SN: 10001-UP

1шт.

1

418-60-15416

TANK

SN: 10001-UP

1шт.

2

424-01-11110

PLUG

SN: 10001-UP

1шт.

3

07092-01000

CAP

SN: 10001-UP

1шт.

4

07051-00003

GASKET

SN: 10001-UP

1шт.

5

421-60-11622

GAUGE,SIGHT

SN: 10164-UP

1шт.

5

0

GAUGE,SIGHT

SN: 10001-10163

1шт.

6

07002-05234

O-RING

SN: 10001-UP

1шт.

7

154-60-12170

ELEMENT

SN: 10001-UP

1шт.

8

417-60-15130

VALVE ASS'Y

SN: 10001-UP

1шт.

9

125-62-21170

SPRING

SN: 10001-UP

1шт.

10

417-60-15120

COVER

SN: 10001-UP

1шт.

11

424-60-15150

PLUG

SN: 10001-UP

1шт.

12

07000-02010

O-RING

SN: 10001-UP

1шт.

13

07000-12115

O-RING

SN: 10001-UP

1шт.

14

01010-51230

BOLT

SN: 10001-UP

2шт.

15

01643-31232

WASHER

SN: 10001-UP

2шт.

16

421-60-11121

COVER

SN: 10001-UP

1шт.

17

07000-05200

O-RING

SN: 10001-UP

1шт.

18

01010-51025

BOLT

SN: 10001-UP

6шт.

19

01643-31032

WASHER

SN: 10001-UP

6шт.

20

419-60-15220

PLATE

SN: 10001-UP

1шт.

21

07000-03042

O-RING

SN: 10001-UP

1шт.

22

01010-51030

BOLT

SN: 10001-UP

4шт.

23

01643-31032

WASHER

SN: 10001-UP

4шт.

24

07040-10807

PLUG

SN: 10001-UP

1шт.

25

07002-00823

O-RING

SN: 10001-UP

1шт.

26

419-60-15231

BREATHER ASS'Y

SN: 10001-UP

1шт.

26

0

BREATHER ASS'Y

SN: (10001-10606)

1шт.

26

285-62-17320

ELEMENT

SN: 10607-UP

1шт.

26

419-60-15250

ELEMENT

SN: 10001-10606

1шт.

26

424-60-15220

RING,SNAP

SN: 10607-UP

1шт.

26

419-60-15380

O-RING

SN: 10607-UP

1шт.

26

419-60-15390

O-RING

SN: 10607-UP

1шт.

26

419-60-15240

BODY

SN: 10001-10606

1шт.

26

419-60-15370

O-RING

SN: 10607-UP

2шт.

26

419-60-15270

O-RING

SN: 10001-10606

1шт.

26

419-60-15260

COVER

SN: 10001-10606

1шт.

26

419-60-15280

NUT

SN: 10001-10606

1шт.

26

419-60-15290

WASHER,WASHER

SN: 10001-10606

1шт.

26

419-60-15310

WASHER

SN: 10001-10606

1шт.

27

418-60-15150

STOPPER

SN: 10001-UP

1шт.

28

01220-40640

SCREW

SN: 10001-UP

1шт.

29

01602-20619

WASHER,SPRING

SN: 10001-UP

1шт.

30

01010-51625

BOLT

SN: 10001-UP

1шт.

31

01643-31645

WASHER

SN: 10001-UP

1шт.

32

421-09-12320

HOLDER

SN: 10001-UP

1шт.

33

01220-40412

SCREW

SN: 10001-UP

3шт.

34

01220-40406

SCREW

SN: 10001-UP

2шт.

35

01601-20410

WASHER,SPRING

SN: 10001-UP

8шт.

36

01580-10403

NUT

SN: 10001-UP

3шт.

37

418-60-15430

PLATE

SN: 10001-UP

1шт.

38

418-60-15172

COVER

SN: 10001-UP

1шт.

39

01010-51225

BOLT

SN: 10001-UP

6шт.

40

01643-31232

WASHER

SN: 10001-UP

6шт.

41

418-60-15191

COVER,L.H.

SN: 10001-UP

1шт.

42

418-60-15211

COVER,R.H.

SN: 10001-UP

1шт.

43

01010-50816

BOLT

SN: 10001-UP

4шт.

44

01643-30823

WASHER

SN: 10001-UP

4шт.

45

700-82-42002

VALVE ASS'Y,CONTROL (WA250-1M)

SN: 10607-UP

1шт.

45

\4\700-82-42001

VALVE ASS'Y,CONTROL (WA250-1M)

SN: 10350-10606

1шт.

|$$62

(700-82-42002,418-Z95-1140,

-1шт.

|$$63

01010-51020)

-1шт.

45

0

VALVE ASS'Y,CONTROL (WA250-1M)

SN: 10001-10349

1шт.

45

700-82-42002

VALVE ASS'Y,CONTROL (WA250-1P)

SN: 10611-UP

1шт.

45

\4\700-82-42001

VALVE ASS'Y,CONTROL (WA250-1P)

SN: 10366-10610

1шт.

|$$67

(700-82-42002,418-Z95-1140,

-1шт.

|$$68

01010-51020)

-1шт.

45

0

VALVE ASS'Y,CONTROL (WA250-1P)

SN: 10001-10365

1шт.

45A

418-Z95-1140

BRACKET,(WA250-1M)

SN: 10607-UP

1шт.

45A

418-Z95-1140

BRACKET,(WA250-1P)

SN: 10611-UP

1шт.

45B

01010-51020

BOLT,(WA250-1M)

SN: 10607-UP

1шт.

45B

01010-51020

BOLT,(WA250-1P)

SN: 10611-UP

1шт.

46

01010-51240

BOLT,(WA250-1M)

SN: 10607-UP

4шт.

46

01010-31230

BOLT,(WA250-1M)

SN: 10001-10606

4шт.

46

01010-51240

BOLT,(WA250-1P)

SN: 10611-UP

4шт.

46

01010-31230

BOLT,(WA250-1P)

SN: 10001-10610

4шт.

47

01643-31232

WASHER,(WA250-1M)

SN: 10001-10606

4шт.

47

01643-31232

WASHER,(WA250-1P)

SN: 10001-10610

4шт.

47A

418-Z95-1110

CUSHION,(WA250-1M)

SN: 10607-UP

4шт.

47A

418-Z95-1110

CUSHION,(WA250-1P)

SN: 10611-UP

4шт.

47B

418-Z95-1130

SPACER,(WA250-1M)

SN: 10607-UP

4шт.

47B

418-Z95-1130

SPACER,(WA250-1P)

SN: 10611-UP

4шт.

47C

418-Z95-1120

CUSHION,(WA250-1M)

SN: 10607-UP

4шт.

47C

418-Z95-1120

CUSHION,(WA250-1P)

SN: 10611-UP

4шт.

47D

418-43-17920

DIAPHRAGM,(WA250-1M)

SN: 10607-UP

8шт.

47D

419-43-17920

WASHER,(WA250-1P)

SN: 10611-UP

8шт.

48

01010-51640

BOLT

SN: 10001-UP

6шт.

49

01643-31645

WASHER

SN: 10001-UP

6шт.

50

421-09-12780

CUSHION,STRIP (WA250-1M)

SN: 10607-UP

1шт.

50

421-09-12780

CUSHION,STRIP (WA250-1P)

SN: 10611-UP

1шт.

51

07042-71222

PLUG,(WA250-1M)

SN: 12337-UP

1шт.

51

07042-71222

PLUG,(WA250-1P)

SN: 12333-UP

1шт.

Выбрано товаров: 93