Запчасти Komatsu WA250-1 ГИДР. БАК. (ШУМОПОДАВЛ. ДЛЯ EC) УПРАВЛ-Е РАБОЧИМ ОБОРУДОВАНИЕМ

Схема запчастей Komatsu WA250-1 - ГИДР. БАК. (ШУМОПОДАВЛ. ДЛЯ EC) УПРАВЛ-Е РАБОЧИМ ОБОРУДОВАНИЕМ
FIT
1:1
100%

Артикул

Название

Примечание

Количество

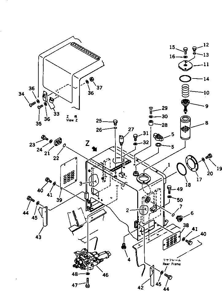
1

418-60-15416

TANK

SN: 10001-UP

1шт.

2

418-Z90-1210

SHEET,L.H.

SN: 10001-UP

1шт.

3

418-Z90-1220

SHEET,R.H.

SN: 10001-UP

1шт.

4

424-01-11110

PLUG

SN: 10001-UP

1шт.

5

07092-01000

CAP

SN: 10001-UP

1шт.

5

07051-00003

GASKET

SN: 10001-UP

1шт.

6

421-60-11621

GAUGE,SIGHT

SN: 10001-UP

1шт.

7

07002-05234

O-RING

SN: 10001-UP

1шт.

8

154-60-12170

ELEMENT

SN: 10001-UP

1шт.

9

417-60-15130

VALVE ASS'Y

SN: 10001-UP

1шт.

10

125-62-21170

SPRING

SN: 10001-UP

1шт.

11

417-60-15120

COVER

SN: 10001-UP

1шт.

12

424-60-15150

PLUG

SN: 10001-UP

1шт.

13

07000-02010

O-RING

SN: 10001-UP

1шт.

14

07000-12115

O-RING

SN: 10001-UP

1шт.

15

01010-51230

BOLT

SN: 10001-UP

2шт.

16

01643-31232

WASHER

SN: 10001-UP

2шт.

17

421-60-11121

COVER

SN: 10001-UP

1шт.

18

07000-05200

O-RING

SN: 10001-UP

1шт.

19

01010-51025

BOLT

SN: 10001-UP

6шт.

20

01643-31032

WASHER

SN: 10001-UP

6шт.

21

419-60-15220

PLATE

SN: 10001-UP

1шт.

22

07000-03042

O-RING

SN: 10001-UP

1шт.

23

01010-51030

BOLT

SN: 10001-UP

4шт.

24

01643-31032

WASHER

SN: 10001-UP

4шт.

25

07040-10807

PLUG

SN: 10001-UP

1шт.

26

07002-00823

O-RING

SN: 10001-UP

1шт.

27

419-60-15230

BREATHER ASS'Y

SN: 10001-UP

1шт.

27

419-60-15250

ELEMENT

SN: 10001-UP

1шт.

27

419-60-15240

BODY

SN: 10001-UP

1шт.

27

419-60-15270

O-RING

SN: 10001-UP

1шт.

27

419-60-15260

COVER

SN: 10001-UP

1шт.

27

419-60-15280

NUT

SN: 10001-UP

1шт.

27

419-60-15290

WASHER,SPRING

SN: 10001-UP

1шт.

27

419-60-15210

PLATE

SN: 10001-UP

1шт.

28

418-60-15150

STOPPER

SN: 10001-UP

1шт.

29

01220-40640

SCREW

SN: 10001-UP

1шт.

30

01602-20619

WASHER,SPRING

SN: 10001-UP

1шт.

31

01010-51625

BOLT

SN: 10001-UP

1шт.

32

01643-31645

WASHER

SN: 10001-UP

1шт.

33

421-09-12320

HOLDER

SN: 10001-UP

1шт.

34

01220-40412

SCREW

SN: 10001-UP

3шт.

35

01220-40406

SCREW

SN: 10001-UP

2шт.

36

01601-20410

WASHER,SPRING

SN: 10001-UP

8шт.

37

01580-10403

NUT

SN: 10001-UP

3шт.

38

418-60-15430

PLATE

SN: 10001-UP

1шт.

39

418-60-15172

COVER

SN: 10001-UP

1шт.

40

01010-51225

BOLT

SN: 10001-UP

6шт.

41

01643-31232

WASHER

SN: 10001-UP

6шт.

42

418-60-15191

COVER,L.H.

SN: 10001-UP

1шт.

43

418-60-15211

COVER,R.H.

SN: 10001-UP

1шт.

44

01010-50816

BOLT

SN: 10001-UP

4шт.

45

01643-30823

WASHER

SN: 10001-UP

4шт.

46

700-82-42000

VALVE ASS'Y,2-SPOOL

SN: 10001-UP

1шт.

47

01010-31230

BOLT

SN: 10001-UP

4шт.

48

01643-51232

WASHER

SN: 10001-UP

4шт.

49

01010-51640

BOLT

SN: 10001-UP

6шт.

50

01643-31645

WASHER

SN: 10001-UP

6шт.

Выбрано товаров: 58