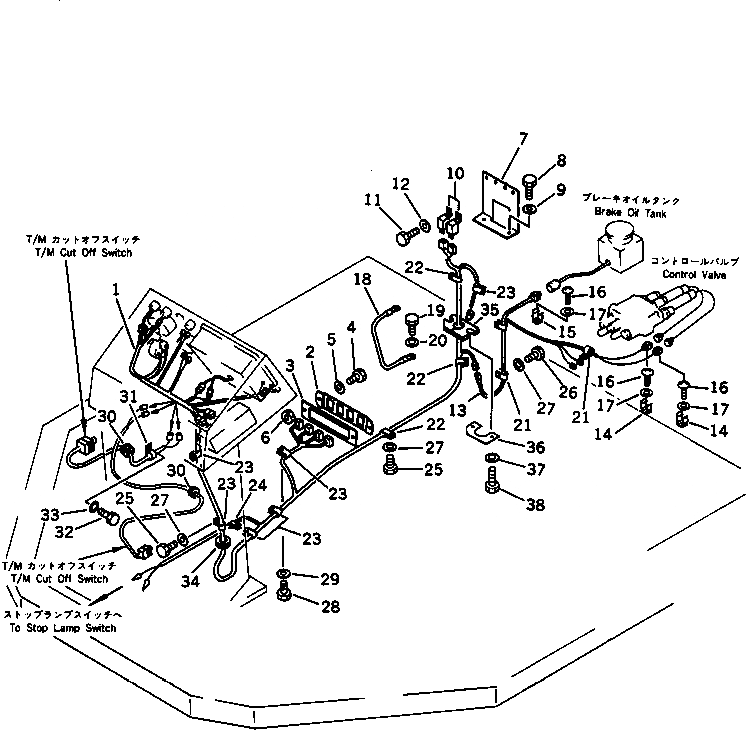
Запчасти Komatsu WA250-1 ЭЛЕКТРИКА (ОСНОВН. ЛИНИЯ) (ДЛЯ CLUSTER GAUGE) КОМПОНЕНТЫ ДВИГАТЕЛЯ И ЭЛЕКТРИКА

Схема запчастей Komatsu WA250-1 - ЭЛЕКТРИКА (ОСНОВН. ЛИНИЯ) (ДЛЯ CLUSTER GAUGE) КОМПОНЕНТЫ ДВИГАТЕЛЯ И ЭЛЕКТРИКА
FIT
1:1
100%

Артикул

Название

Примечание

Количество

1

418-06-12631

WIRE ASS'Y

SN: 10188-UP

1шт.

1

0

WIRE ASS'Y

SN: 10001-10187

1шт.

1

421-06-11970

DIODE

SN: 10001-UP

7шт.

2

41A-06-12210

PLATE

SN: 10001-UP

1шт.

3

417-06-12360

PLATE

SN: 10001-UP

1шт.

4

01010-50820

BOLT

SN: 10001-UP

2шт.

5

01643-30823

WASHER

SN: 10001-UP

2шт.

6

01580-00806

NUT

SN: 10001-UP

2шт.

7

41A-06-11120

BRACKET

SN: 10001-UP

1шт.

8

01010-50820

BOLT

SN: 10001-UP

2шт.

9

01643-30823

WASHER

SN: 10001-UP

2шт.

10

287-06-16410

RELAY

SN: 10001-UP

2шт.

11

01010-50610

BOLT

SN: 10001-UP

2шт.

12

01643-30623

WASHER

SN: 10001-UP

2шт.

13

418-06-12530

WIRE ASS'Y

SN: 10001-UP

1шт.

13

421-06-11970

DIODE

SN: 10001-UP

1шт.

14

283-06-17130

CLIP

SN: 10001-UP

2шт.

15

421-06-12910

CLIP

SN: 10001-UP

1шт.

16

01220-40608

SCREW

SN: 10001-UP

3шт.

17

01641-20608

WASHER

SN: 10001-UP

3шт.

18

419-06-12450

WIRE

SN: 10001-UP

1шт.

19

01010-51016

BOLT

SN: 10001-UP

2шт.

20

01643-31032

WASHER

SN: 10001-UP

2шт.

21

08036-11214

CLIP

SN: 10308-UP

3шт.

21

08036-11214

CLIP

SN: 10001-10307

2шт.

22

08036-01414

CLIP

SN: 10001-UP

3шт.

23

08036-02514

CLIP

SN: 10001-UP

6шт.

24

08036-10614

CLIP

SN: 10001-UP

1шт.

25

01010-51016

BOLT

SN: 10308-UP

10шт.

25

01010-51016

BOLT

SN: 10001-10307

9шт.

26

01010-51020

BOLT

SN: 10001-UP

1шт.

27

01643-31032

WASHER

SN: 10308-UP

11шт.

27

01643-31032

WASHER

SN: 10001-10307

10шт.

28

01010-51220

BOLT

SN: 10001-UP

1шт.

29

01643-31232

WASHER

SN: 10001-UP

1шт.

30

08037-01008

GROMMET

SN: 10001-UP

2шт.

31

08036-10814

CLIP

SN: 10001-UP

1шт.

32

01010-51016

BOLT

SN: 10001-UP

1шт.

33

01643-31032

WASHER

SN: 10001-UP

1шт.

34

08037-02512

GROMMET

SN: 10308-UP

1шт.

35

419-06-12651

SHEET

SN: 10162-UP

1шт.

35

419-06-12650

SHEET

SN: 10001-10161

1шт.

36

419-06-12640

PLATE

SN: 10001-UP

1шт.

37

01010-50616

BOLT

SN: 10001-UP

2шт.

38

01643-30623

WASHER

SN: 10001-UP

2шт.

Выбрано товаров: 45