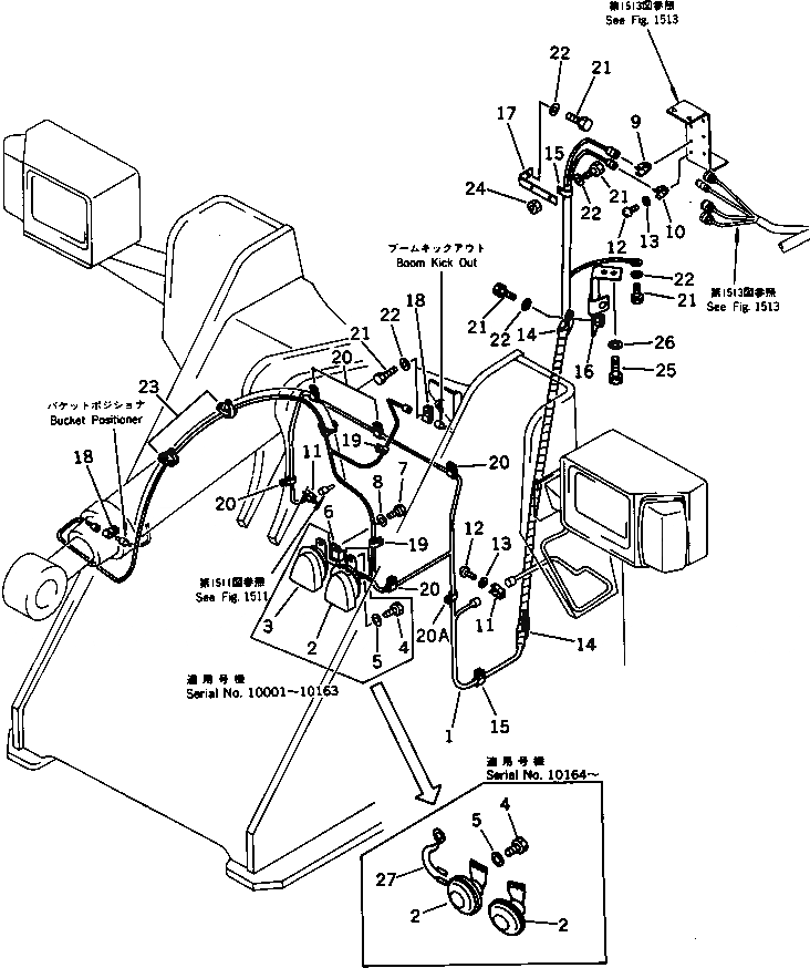
Запчасти Komatsu WA250-1 ЭЛЕКТРИКА (ПЕРЕДН. ЛИНИЯ) (С МОНИТОРОМ) КОМПОНЕНТЫ ДВИГАТЕЛЯ И ЭЛЕКТРИКА

Схема запчастей Komatsu WA250-1 - ЭЛЕКТРИКА (ПЕРЕДН. ЛИНИЯ) (С МОНИТОРОМ) КОМПОНЕНТЫ ДВИГАТЕЛЯ И ЭЛЕКТРИКА
FIT
1:1
100%

Артикул

Название

Примечание

Количество

1

419-06-12273

WIRE ASS'Y

SN: 10001-UP

1шт.

1

421-06-11970

DIODE

SN: 10001-UP

1шт.

2

421-06-11711

HORN,HIGH

SN: .-UP

2шт.

2

0

HORN,HIGH

SN: 10164-.

2шт.

2

419-06-11270

HORN,HIGH

SN: 10001-10163

1шт.

3

419-06-11280

HORN,LOW

SN: 10001-10163

1шт.

4

01010-50816

BOLT

SN: 10164-UP

4шт.

4

01010-50816

BOLT

SN: 10001-10163

2шт.

5

01643-30823

WASHER

SN: 10164-UP

4шт.

5

01643-30823

WASHER

SN: 10001-10163

2шт.

6

287-06-16410

RELAY,HORN

SN: 10001-UP

1шт.

7

01010-50612

BOLT

SN: 10001-UP

1шт.

8

01643-30623

WASHER

SN: 10001-UP

1шт.

9

421-06-12610

CLIP

SN: 10001-UP

1шт.

10

283-06-17130

CLIP

SN: 10001-UP

1шт.

11

283-06-17120

CLIP

SN: 10001-UP

2шт.

12

01220-40608

SCREW

SN: 10001-UP

4шт.

13

01641-20608

WASHER

SN: 10001-UP

4шт.

14

08052-12711

CLIP

SN: 10001-UP

2шт.

15

08036-02514

CLIP

SN: 12025-UP

1шт.

15

0

CLIP

SN: 10001-12024

1шт.

16

418-06-12730

BRACKET

SN: 10001-UP

1шт.

17

418-06-12270

PLATE

SN: 10001-UP

1шт.

18

423-06-12640

CLIP

SN: 10001-UP

2шт.

19

08036-10814

CLIP

SN: 12025-UP

2шт.

19

08036-10814

CLIP

SN: 10001-12024

1шт.

20

08036-11214

CLIP

SN: 12025-UP

5шт.

20

08036-11214

CLIP

SN: 10001-12024

7шт.

20A

08036-01814

CLIP

SN: 12025-UP

1шт.

21

01010-51016

BOLT

SN: 10001-UP

16шт.

22

01643-31032

WASHER

SN: 10001-UP

16шт.

23

08034-00519

BAND

SN: 10001-UP

6шт.

24

01580-11008

NUT

SN: 10001-UP

1шт.

25

01010-51020

BOLT

SN: 10001-UP

2шт.

26

01643-31032

WASHER

SN: 10001-UP

2шт.

27

419-06-12890

CABLE

SN: 10164-UP

1шт.

Выбрано товаров: 36