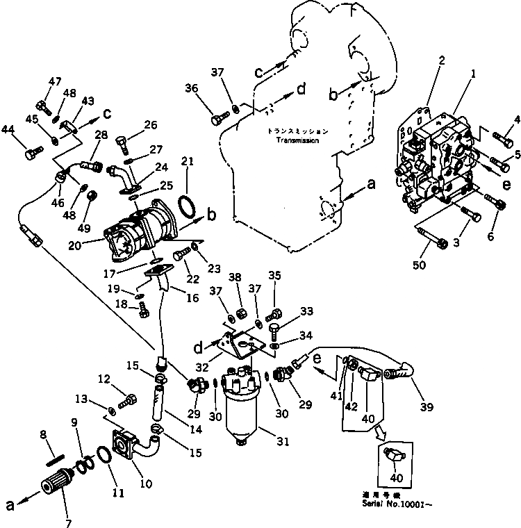
Запчасти Komatsu WA250-1 ГИДРОЛИНИЯ ТРАНСМИССИИ (МЕХАНИЧ. УПРАВЛ-Е ТИП) ГИДРОТРАНСФОРМАТОР И ТРАНСМИССИЯ

Схема запчастей Komatsu WA250-1 - ГИДРОЛИНИЯ ТРАНСМИССИИ (МЕХАНИЧ. УПРАВЛ-Е ТИП) ГИДРОТРАНСФОРМАТОР И ТРАНСМИССИЯ
FIT
1:1
100%

Артикул

Название

Примечание

Количество

|$0

418-15-11040

TRANSMISSION ASS'Y

SN: 10001-UP

1шт.

1

419-15-15031

CONTROL VALVE ASS'Y

SN: 10001-UP

1шт.

2

419-15-16820

GASKET (K1)

SN: 10001-UP

1шт.

3

01011-31020

BOLT

SN: 10001-UP

4шт.

4

01011-31030

BOLT

SN: 10001-UP

2шт.

5

01011-31035

BOLT

SN: 10001-UP

2шт.

6

419-15-16680

BOLT

SN: 10001-UP

4шт.

|$7

419-15-14510

STRAINER ASS'Y

SN: 10001-UP

1шт.

7

419-15-14650

STRAINER

SN: 10001-UP

1шт.

8

417-15-14660

MAGNET

SN: 10001-UP

5шт.

9

419-15-14660

SPRING,SUPPORT

SN: 10001-UP

1шт.

10

419-15-14523

FLANGE

SN: 10001-UP

1шт.

11

07000-02085

O-RING (K1)

SN: 10001-UP

1шт.

12

01010-31080

BOLT

SN: 10001-UP

4шт.

13

01643-31032

WASHER

SN: 10001-UP

4шт.

14

419-15-14752

HOSE

SN: 10001-UP

1шт.

15

07281-00489

CLAMP

SN: 10001-UP

2шт.

16

418-15-11711

TUBE

SN: 10001-UP

1шт.

17

07000-03048

O-RING (K1)

SN: 10001-UP

1шт.

18

01010-31235

BOLT

SN: 10001-UP

4шт.

19

01602-01236

WASHER,SPRING

SN: 10001-UP

4шт.

20

705-51-20170

PUMP ASS'Y

SN: 10001-UP

1шт.

21

07000-02105

O-RING (K1)

SN: 10001-UP

1шт.

22

01010-31235

BOLT

SN: 10001-UP

2шт.

23

01643-31232

WASHER

SN: 10001-UP

2шт.

24

419-15-14540

TUBE

SN: 10001-UP

1шт.

25

07000-03028

O-RING (K1)

SN: 10001-UP

1шт.

26

01010-30835

BOLT

SN: 10001-UP

4шт.

27

01602-00825

WASHER,SPRING

SN: 10001-UP

4шт.

28

07102-20609

HOSE, 900MM

SN: 10001-UP

1шт.

29

419-15-14670

ELBOW

SN: 10001-UP

2шт.

30

07002-03334

O-RING (K1)

SN: 10001-UP

2шт.

31

419-15-14800

FILTER ASS'Y

SN: 10001-UP

1шт.

32

419-15-14580

SUPPORT

SN: 10001-UP

1шт.

33

01010-31035

BOLT

SN: 10001-UP

4шт.

34

01643-31032

WASHER

SN: 10001-UP

4шт.

35

01010-31235

BOLT

SN: 10001-UP

2шт.

36

01010-31275

BOLT

SN: 10001-UP

1шт.

37

01643-31232

WASHER

SN: 10001-UP

3шт.

38

01580-01210

NUT

SN: 10001-UP

1шт.

39

419-15-14742

HOSE

SN: 10001-UP

1шт.

40

07235-10628

ELBOW

SN: 10001-UP

1шт.

40

0

ELBOW

SN: (10001-12032)

1шт.

41

07002-02434

O-RING (K1)

SN: 10001-UP

1шт.

42

07239-12410

NUT

SN: 10001-12032

1шт.

43

419-15-14550

PLATE

SN: 10001-UP

1шт.

44

01010-31240

BOLT

SN: 10001-UP

1шт.

45

01643-31232

WASHER

SN: 10001-UP

1шт.

46

08036-23014

CLIP

SN: 10001-UP

1шт.

47

01010-31025

BOLT

SN: 10001-UP

1шт.

48

01643-31032

WASHER

SN: 10001-UP

2шт.

49

01580-01008

NUT

SN: 10001-UP

1шт.

50

419-15-15170

BOLT

SN: 12160-UP

1шт.

Выбрано товаров: 53