Качественные детали и логистика
Оригинальные и аналоговые запчасти с доставкой по России, Казахстану и Беларуси
©2022 PartSell ООО "Система" ИНН 2463123282 ОГРН 1212400004838
Центральный офис: г. Красноярск, Академика Киренского, д.87, пом.4
Телефон: 8 (800) 777-65-74 Email: zakaz@partsell.ru
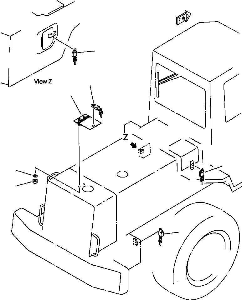
ЗАЩИТА ОТ ВАНДАЛИЗМА
№
Артикул
Название
Примечание
Количество
1
419-54-11660
COVER, RADIATOR CAP
1шт.
2
01580-00605
NUT
2шт.
3
01643-30623
WASHER
4
650 382 C91
PADLOCK W/KEYS
5шт.
Выбрано товаров: 0