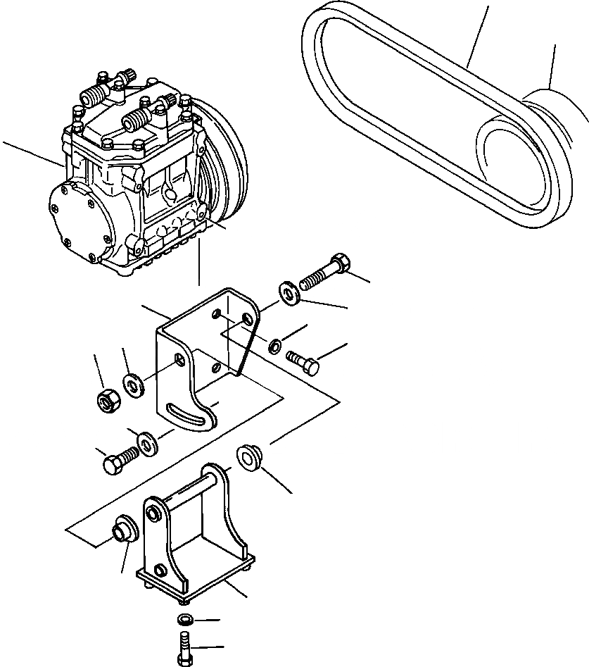
Запчасти Komatsu WA250-1LC КОНДИЦ. ВОЗДУХА КОМПРЕССОР КРЕПЛЕНИЕ - заводской номер A - A РАМА

Схема запчастей Komatsu WA250-1LC - КОНДИЦ. ВОЗДУХА КОМПРЕССОР КРЕПЛЕНИЕ - заводской номер A - A РАМА
1
9
2
10
4
10
3
11
13
12
8
8
5
7
6
14
15
FIT
1:1
100%

Артикул

Название

Примечание

Количество

1

COMPRESSOR ASSEMBLY (SEE PG 05-126)

-29шт.

2

418-963-1140

BRACKET

1шт.

3

01010-50820

BOLT

4шт.

4

01643-30823

WASHER

4шт.

5

418-963-1130

BRACKET

1шт.

6

01010-50825

BOLT

3шт.

7

01643-30823

WASHER

3шт.

8

419-07-11760

COLLAR

1шт.

9

01011-51275

BOLT

1шт.

10

01643-31232

WASHER

2шт.

11

01580-11210

NUT

1шт.

12

01010-51225

BOLT

1шт.

13

01643-31232

WASHER

3шт.

14

04120-43114

BELT, V

1шт.

15

ENGINE (SEE SECTION E)

-29шт.

Выбрано товаров: 15