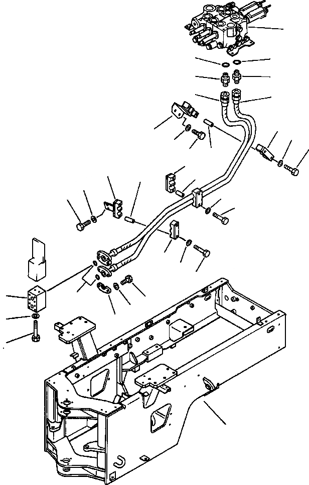
Запчасти Komatsu WA250-1LC ГИДРОЛИНИЯ (ПЕРЕДН. НАВЕСН. ОБОРУД - УПРАВЛЯЮЩ. КЛАПАН - ПЕРЕДН. РАМА) УПРАВЛ-Е РАБОЧИМ ОБОРУДОВАНИЕМ

Схема запчастей Komatsu WA250-1LC - ГИДРОЛИНИЯ (ПЕРЕДН. НАВЕСН. ОБОРУД - УПРАВЛЯЮЩ. КЛАПАН - ПЕРЕДН. РАМА) УПРАВЛ-Е РАБОЧИМ ОБОРУДОВАНИЕМ
1
3
3
2
2
4
4
19
12
21
14
20
18
13
19
15
18
18
17
21
16
20
19
21
20
9
5
7
8
11
6
10
22
FIT
1:1
100%

Артикул

Название

Примечание

Количество

1

CONTROL VALVE, 3-SPOOL (SEE PG 06-024)

-29шт.

2

418-62-13550

UNION

2шт.

3

07002-12434

O-RING

2шт.

4

418-877-1390

HOSE

2шт.

5

07000-13025

O-RING

2шт.

6

07371-30638

FLANGE, SPLIT

4шт.

7

01010-50830

BOLT

8шт.

8

01643-50823

WASHER

8шт.

9

418-877-1162

BLOCK

1шт.

10

01011-51020

BOLT

2шт.

11

01643-31032

WASHER

2шт.

12

418-877-1380

BRACKET

1шт.

13

01010-51225

BOLT

2шт.

14

01643-31232

WASHER

2шт.

15

418-877-1110

BRACKET

1шт.

16

01010-51230

BOLT

2шт.

17

01643-31232

WASHER

2шт.

18

418-877-1130

SPACER

6шт.

19

418-877-1140

CLAMP

4шт.

20

01010-51090

BOLT

6шт.

21

01643-31032

WASHER

6шт.

22

FRAME, REAR (SEE PG 05-006)

-29шт.

Выбрано товаров: 22