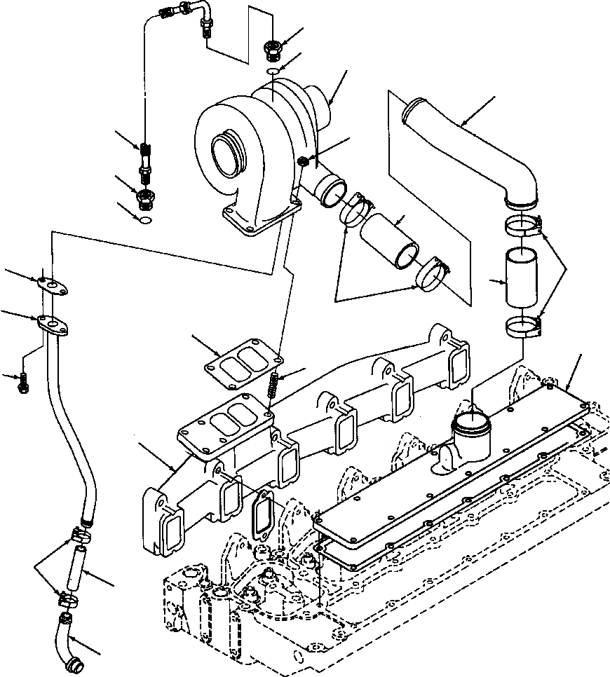
Запчасти Komatsu WA250-1LC ТУРБОНАГНЕТАТЕЛЬ ТРУБЫ & КРЕПЛЕНИЕ ГОЛОВКА ЦИЛИНДРОВ

Схема запчастей Komatsu WA250-1LC - ТУРБОНАГНЕТАТЕЛЬ ТРУБЫ & КРЕПЛЕНИЕ ГОЛОВКА ЦИЛИНДРОВ
18
19
1
20
2
18
19
3
17
5
6
16
8
10
7
9
15
11
12
13
14
4
FIT
1:1
100%

Артикул

Название

Примечание

Количество

1

TURBOCHARGER (SEE PG E1-012)

-29шт.

2

1240 550 H1

NUT, HEX

4шт.

3

1278 514 H1

HOSE, PLAIN

1шт.

4

1240 780 H1

PIPE, AIR INLET

1шт.

5

1239 531 H1

CLAMP, HOSE

2шт.

6

1240 680 H2

HOSE, PLAIN

1шт.

7

COVER, INTAKE MANIFOLD (SEE PG E1-014)

-29шт.

8

1278 261 H1

CLAMP, HOSE

2шт.

9

1240 549 H1

STUD

4шт.

10

1240 576 H1

GASKET, TURBOCHARGER

1шт.

11

MANIFOLD, EXHAUST (SEE PG E1-008)

-29шт.

12

1240 659 H1

HOSE, PLAIN

1шт.

13

1240 658 H1

TUBE, TURBO OIL DRAIN

1шт.

14

1239 969 H1

CLAMP, HOSE

2шт.

15

1240 141 H1

BOLT

2шт.

16

1240 736 H1

CONNECTION, TURBO OIL DRAIN

1шт.

17

1241 287 H1

GASKET, OIL DRAIN

1шт.

18

1282 066 H2

CONNECTOR, FEMALE

2шт.

19

1294 458 H1

O-RING

1шт.

20

1295 143 H1

HOSE, FLEXIBLE

1шт.

Выбрано товаров: 20