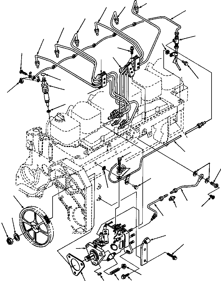
Запчасти Komatsu WA250-1LC ТОПЛИВОПРОВОД. ТОПЛИВН. СИСТЕМА

Схема запчастей Komatsu WA250-1LC - ТОПЛИВОПРОВОД. ТОПЛИВН. СИСТЕМА
11
10
9
12
8
7
19
6
17
15
5
16
13
18
3
20
1
2
33
21
22
23
32
29
28
25
26
35
27
36
30
31
38
39
37
14
24
41
40
42
34
43
4
FIT
1:1
100%

Артикул

Название

Примечание

Количество

1

INJECTOR ASSEMBLY (SEE PG E4-008)

-29шт.

2

SEAL,INJECTOR (SEE PG E4-008)

-29шт.

3

O-RING (SEE PG E4-008)

-29шт.

4

SEAL, CONNECTOR (SEE PG E4-008)

-29шт.

5

1240 334 H1

SCREW, BANJO CONNECTOR

6шт.

6

1240 848 H1

TUBE, FUEL SUPPLY

1шт.

7

1240 634 H1

TUBE, FUEL SUPPLY

1шт.

8

1240 635 H1

TUBE, FUEL SUPPLY

1шт.

9

1240 636 H1

TUBE, FUEL SUPPLY

1шт.

10

1240 637 H1

TUBE, FUEL SUPPLY

1шт.

11

1240 638 H1

TUBE, FUEL SUPPLY

1шт.

12

1240 851 H91

MANIFOLD, FUEL

1шт.

|$12

1271 332 H1

SEAL, GROMMET

2шт.

13

1295 500 H1

BRACE, TUBE

2шт.

|$14

1294 823 H1

ISOLATOR, VIBRATION

6шт.

14

1240 260 H1

BRACE, TUBE

3шт.

|$16

1294 781 H1

BOLT

6шт.

|$17

1240 227 H1

WASHER, PLAIN

6шт.

15

1278 262 H1

BOLT

3шт.

16

1295 501 H1

BRACE, TUBE

1шт.

17

1240 129 H1

SEAL, GROMMET

1шт.

18

1240 749 H91

TUBE, FUEL DRAIN

1шт.

|$22

1271 332 H1

SEAL, GROMMET

2шт.

19

1240 342 H1

TEE, MALE UNION

1шт.

20

1240 141 H1

BOLT

1шт.

21

1295 753 H91

TUBE, FUEL DRAIN

1шт.

|$26

1271 332 H1

SEAL, GROMMET

2шт.

22

1294 334 H1

WASHER, PLAIN

1шт.

23

1241 244 H1

SCREW, BANJO CONNECTOR

1шт.

24

1240 740 H1

BOLT, CAPTIVE WASHER

1шт.

25

1240 843 H91

TUBE, FUEL SUPPLY

1шт.

|$31

1240 335 H1

SEAL, GROMMET

2шт.

26

1240 840 H1

UNION, MALE

1шт.

27

1242 022 H91

TUBE, FUEL SUPPLY

1шт.

|$34

1240 335 H1

SEAL, GROMMET

2шт.

28

1240 129 H1

SEAL, GROMMET

1шт.

29

1240 141 H1

BOLT

1шт.

30

1240 735 H1

BRACE, FUEL INJECTION PUMP

1шт.

31

PUMP, FUEL (SEE PG E4-010)

-29шт.

32

WASHER, PLAIN (SEE PG E4-010)

-29шт.

33

SCREW, CONNECTOR (SEE PG E4-010)

-29шт.

34

ADAPTER, TUBE (SEE PG E4-010)

-29шт.

35

WASHER, LOCK (SEE PG E4-010)

-29шт.

36

NUT, HEX (SEE PG E4-010)

-29шт.

37

KEY, WOODRUFF (SEE PG E4-010)

-29шт.

38

1240 136 H1

NUT, HEX

3шт.

39

1240 141 H1

BOLT

3шт.

40

1240 198 H1

STUD

3шт.

41

1240 141 H1

BOLT

2шт.

42

1282 074 H1

GASKET, FUEL PUMP

1шт.

43

1282 073 H2

GEAR, FUEL PUMP

1шт.

Выбрано товаров: 51