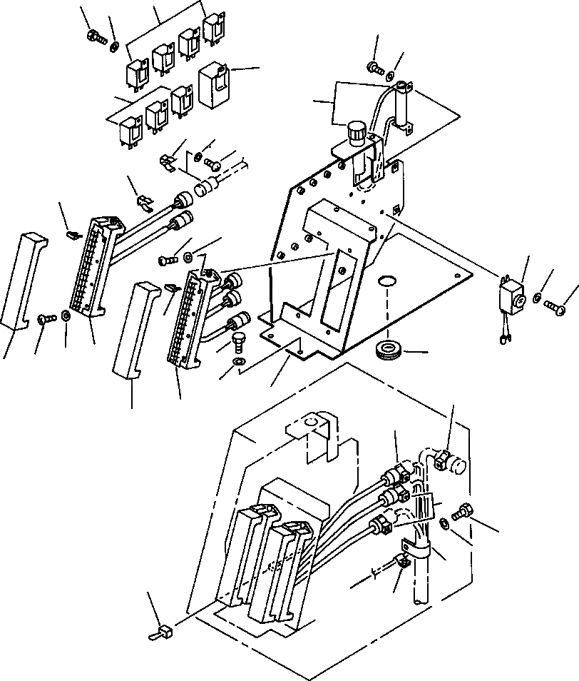
Запчасти Komatsu WA250-1LC КОНСОЛЬН. БЛОК, RH С МОНИТОРОМ КОМПОНЕНТЫ ДВИГАТЕЛЯ & ЭЛЕКТРИКА

Схема запчастей Komatsu WA250-1LC - КОНСОЛЬН. БЛОК, RH С МОНИТОРОМ КОМПОНЕНТЫ ДВИГАТЕЛЯ & ЭЛЕКТРИКА
6
5
7
10
11
4
5
9
21
24
23
21
16
14
15
18
20
19
16
13
29
15
2
14
17
3
1
22
12
17
21
22
26
27
25
8
29
28
FIT
1:1
100%

Артикул

Название

Примечание

Количество

1

419-06-11133

BOX, R.H

1шт.

2

01010-50820

BOLT

4шт.

3

01643-30823

WASHER

4шт.

4

22W-06-13251

FLASHER

1шт.

5

287-06-16410

RELAY

7шт.

|$5

287-06-16420

BRACKET

7шт.

6

01010-50612

BOLT

8шт.

7

01643-30623

WASHER

8шт.

8

424-06-12240

CONNECTOR

1шт.

9

195-822-6151

LIGHTER

1шт.

10

01220-40410

SCREW

2шт.

11

01641-20405

WASHER

2шт.

12

419-06-12380

BOX, FUSE

1шт.

13

419-06-12370

BOX, FUSE

1шт.

14

01220-40620

SCREW

4шт.

15

01641-20608

WASHER

4шт.

16

283-06-16190

FUSE, 10A

22шт.

16

22W-06-13160

FUSE, 20A

5шт.

17

283-06-16120

COVER

2шт.

18

207-06-31160

BUZZER

1шт.

19

01220-40412

SCREW

2шт.

20

01641-20405

WASHER

2шт.

21

08052-02411

CLIP

3шт.

22

08052-02711

CLIP

3шт.

23

01220-40608

SCREW

6шт.

24

01641-20608

WASHER

6шт.

25

08036-03014

CLIP

1шт.

26

01010-51016

BOLT

1шт.

27

01643-31032

WASHER

1шт.

28

08036-10614

CLIP

1шт.

29

08037-02512

GROMMET

1шт.

Выбрано товаров: 31